









BN系列电动执行器概述:
BN系列电动执行器用于控制0~270旋转的阀门及同类产品,如蝶阀、球阀、风门、挡板阀、旋塞阀、百叶阀等,可以广泛应用于石油、化工、水处理、船舶、造纸、电站、供热供暖、楼宇自控、轻工等各个行业。它以380V/220V/110V交流电源和DC24V直流电源为驱动电源,以4-20mA电流信号或0-10VDC.0-5VDC电压信号为控制信号,可使阀门运动到所需位置,实现自动化控制,最大输出扭矩达1500N.m。
型号说明:

产品结构特点:
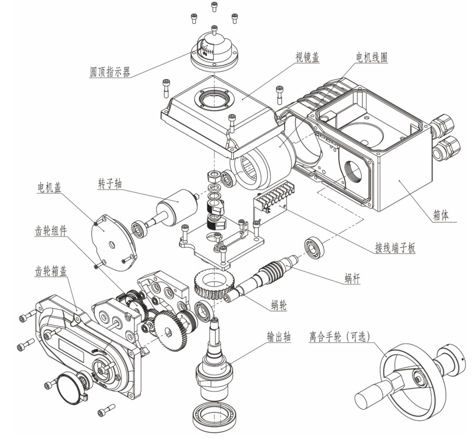
1.壳体:壳体为铝合金,经喷砂和喷塑处理,耐腐蚀性强,防护等级为IP66。
2.电机:鼠笼式电机,体积小,扭矩大,惯性力小,绝缘等级为F级,内置过热保护开关,可防止过热损坏电机。
3.手动操作:手柄设计保证安全可靠、省力;不通电时,转动手柄可进行手动操作;不用手动时,将扳手置于板手夹内,同时可选用离合手轮。
4.圆顶指示器:视镜指示清晰,观察更直观、方便。
5.干燥器:防止由于温度和天气变化导致执行器内部水分凝结,保持内部电气元件的干燥。
6.密封:密封性能良好,标准产品防护等级是IP66,并可选IP67防护等级。
7.限位开关:机械、电子双重限位。机械限位螺钉可调,安全可靠;电子限位开关由凸轮机构来控制,简单的调整机构能精确并方便地设定位置。
8.自锁:精密的蜗轮蜗杆机构可高效传输大扭矩。效率高,寿命长,有自锁功能,防止反转,传动部分稳定可靠,无需再加油。
9.防脱螺栓:拆除外壳时,螺栓附在壳体上,不会脱落。
10.安装:底部安装尺寸符合ISO5211国际标准,孔成双四方形便于45转角安装,适应性强。可以垂直安装,也可以水平安装。
11.线路:控制线路符合单相或者三相电源标准,线路布置紧凑合理,接线端子可有效满足各种附加功能要求。
产品结构及部分零部件名称:

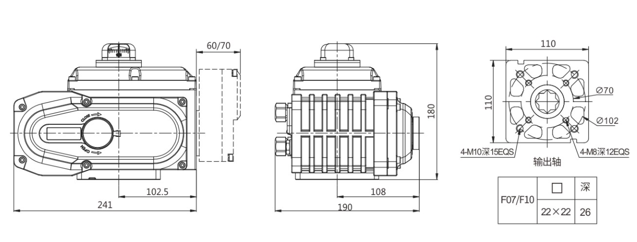
BN003 系列外形尺寸及性能参数:
型号 | BN003 | ![]() | |
电源 | DC24V | AC220V | |
电机功率 | 15W | 18W | |
额定电流 | 2A | 0.3A | |
标准时间/扭矩 | 10S/30Nm | 20S/30Nm | |
动作模式 | S R P DC DS DR DP | ||
回转角度 | 0-90°可调 | ||
耐压等级 | DC24V 500VDC 60S AC220V 1500VAC 60S | ||
绝缘等级 | 100MΩ/300VDC 100MΩ/500VDC | ||
防护等级 | IP66 | ||
电气接口 | 2×M16×1.5防水接头 | ||
保护装置 | (自动恢复型)热保护器 | ||
限位装置 | 电动工作:关位/开位 手动工作机械限位机构 | ||
安装方位 | 任意角度安装 | ||
环境温度 | -20℃-60℃ | ||
箱体材料 | 铝合金 | ||
选装功能 | 离合手轮 | ||

BN005系列外形尺寸及性能参数:
型号 | BN005 | ![]() | ||||
电源 | DC24V | AC24V | AC110V | AC220V | AC380V | |
电机功率 | 20W | 15W | ||||
额定电流 | 1.8A | 2A | 0.5A | 0.3A | 0.1A | |
标准时间/扭矩 | 20S/50Nm | 30S/50Nm | ||||
可选时间/扭矩 | 25S/80Nm | 30S/50Nm 15S/30Nm 30S/30Nm 30S/80Nm | ||||
动作模式 | S R P DC DS DR DP PL T | |||||
回转角度 | 0-90°可调 | |||||
耐压等级 | DC24V/AC24V 500VDC 60S AC110V/AC220V/AC380V 1500VAC 60S | |||||
绝缘等级 | DC24V/AC24V 100MΩ/250VDC AC110V/AC220V/AC380V 100MΩ/500VAC | |||||
防护等级 | IP66 | |||||
电气接口 | 2×M18×1.5防水接头 | |||||
保护装置 | (自动恢复型)热保护器 | |||||
限位装置 | 电动工作:关位/开位 手动工作机械限位机构 | |||||
安装方位 | 任意角度安装 | |||||
环境温度 | -20℃-60℃ | |||||
箱体材料 | 铝合金 | |||||
选装功能 | 除湿加热器、离合手轮 | |||||
备选型号 | BN008 | |||||

BN010 系列外形尺寸及性能参数
型 号 | BN010 | ![]() | ||||
电源 | DC24V | AC24V | AC110V | AC220V | AC380V | |
电机功率 | 25W | 25W | ||||
额定电流 | 2A | 2.2A | 0.6A | 0.3A | 0.2A | |
标准时间/扭矩 | 20S/100Nm | 30S/100Nm | ||||
可选时间/扭矩 | 15S/100Nm ,30S/150Nm | |||||
动作模式 | S R P DC DS DR DP PL T | |||||
回转角度 | 0-90°可调 | |||||
耐压等级 | DC24V/AC24V 500VDC 60S AC110V/AC220V/AC380V 1500VAC 60S | |||||
绝缘等级 | DC24V/AC24V 100MΩ/250VDC AC110V/AC220V/AC380V 100MΩ/500VAC | |||||
防护等级 | IP66 | |||||
电气接口 | 2×M18×1.5防水接头 | |||||
保护装置 | (自动恢复型)热保护器 | |||||
限位装置 | 电动工作:关位/开位 手动工作机械限位机构 | |||||
安装方位 | 任意角度安装 | |||||
环境温度 | -20℃-60℃ | |||||
箱体材料 | 铝合金 | |||||
选装功能 | 除湿加热器、离合手轮 | |||||
备选型号 | BN015 | |||||

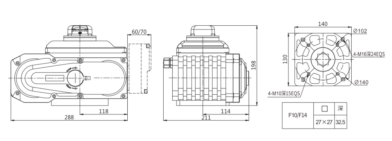
BN020/BN040 系列外形尺寸及性能参数:
型 号 | BN020 | BN040 | ![]() | |||||
电源 | DC24 V | AC110V | AC 220V | AC380V | AC110V | AC 220V | AC380V | |
电机功率 | 35W | 40W | 40W | 40W | 60W | 60W | 60W | |
额定电流 | 4.5A | 0.8A | 0.4A | 0.2A | 1A | 0.5A | 0.3A | |
标准时间/扭矩 | 20S/200Nn | 40S/200Nm | 40S/400Nm | |||||
动作模式 | SRP DC DS DR DP PL T | |||||||
回转角度 | 0-90°可调 | |||||||
耐压等级 | DC24V 500VDC 60S AC110V / AC220V / AC380V 1500VAC 60S | |||||||
绝缘等级 | DC24V100MΩ/250VDC AC110V / AC220V / AC380V 100MΩ/500VAC | |||||||
防护等级 | P66 | |||||||
电气接口 | 2xM18x1.5防水接头 | |||||||
保护装置 | (自动恢复型)热保护器 | |||||||
限位装置 | 电动工作:关位/开位 手动工作机械限位机构 | |||||||
安装方位 | 任意角度安装 | |||||||
环境温度 | -20℃-60℃ | |||||||
箱体材料 | 铝合金 | |||||||
选装功能 | 离合手轮 | |||||||

BN060/100/150 系列外形尺寸及性能参数:
型 号 | BN060 | BN100 | BN150 | |||||||
电源 | DC24V | AC110 | AC220V | AC380V | AC110 | AC220V | AC380V | AC110 | AC220V | AC380V |
电机功率 | 70W | 90W | 90W | 90W | 120W | 120W | 120W | 140W | 140W | 140W |
额定电流 | 7A | 2.2A | 1.1A | 0.3A | 2.4A | 1.2A | 0.4A | 2.6A | 1.3A | 0.4A |
标准时间/扭矩 | 20S/400Nm | 40S/600Nm | 40S/1000Nm | 55S/1500Nm | ||||||
动作模式 | SRP DC DS DR DP PL T | |||||||||
回转角度 | 0-90°可调 | |||||||||
耐压等级 | DC24V 500VDC 60S AC110V / AC220V / AC380V 1500VAC 60S | |||||||||
绝缘等级 | DC24V 100MΩ/250VDC AC110V / AC220V / AC380V 100MΩ/500NAC | |||||||||
防护等级 | IP66 | |||||||||
电气接口 | 2xM18x1.5防水接头 | |||||||||
保护装置 | (自动恢复型)热保护器 | |||||||||
限位装置 | 电动工作:关位/开位 手动工作机械限位机构 | |||||||||
安装方位 | 任意角度安装 | |||||||||
环境温度 | -20℃-60℃ | |||||||||
箱体材料 | 铝合金 | |||||||||
选装功能 | 离合手轮 | |||||||||

BN系列电动执行器电路图:




业务经理:陈连香
座机:0577-56576009
手机:15990739350
QQ:1148387844
业务经理:陈煋煋
座机:0577-56576010
手机:15355775027
QQ:2167633151
地址:中国 浙江省 温州市龙湾区永兴街道滨海三道四路119号
总机:0577-86378000,56576006,15990739350
传真:0577-86887882
网址:www.theoborn.cn , www.theoborn.com
业务经理:郑旋律
座机:0577-56576009
手机:15355775037
QQ:906381092