








BNE系列产品概述:
BNE系列防爆电动执行器用于控制0~270旋转的阀门及同类产品,如蝶阀、球阀、风门、挡板阀、旋塞阀、百叶阀等,可以广泛应用于石油、化工、水处理、船舶、造纸、电站、供热供暖、楼宇自控、轻工等各BNE个行业。它以380V/220V/110V交流电源和DC24V直流电源为驱动电源,以4-20mA电流信号或0-10VDC、0-5VDC电压信号为控制信号,可使阀门运动到所需位置,实现自动化控制,最大输出扭矩达1500N.m。
BNE系列产品使用指南:
安装、调试、维修和更换等工作,必须有经过严格培训且合格的防爆技术人员进行,并且严格按照电气设备的要求执行安装、使用之前请确认:
a.产品包装箱有无破损;
1产品附件清单2)检验报告3电气接线图是否齐全;
b.检验报告,铭牌,电气接线图等是否与您需要购买的规格相符合;
c.限位开关设置完毕前,不要使执行器全开或全关;
d.选用防爆接头进行安装电气接线完成后,密封处理电缆接口处。

BNE系列型号说明:

BNE系列产品结构特点:
1.壳体:壳体为铝合金,经喷砂和喷塑处理,耐腐蚀性强,防护等级为IP66。
2.电机:鼠笼式电机,体积小,扭矩大,惯性力小,绝缘等级为F级,内置过热保护开关,可防止过热损坏电机。
3.手动操作:手柄的设计保证安全可靠、省力;不通电时,转动手柄可进行手动操作;不用时,扳手也方便存放,同时可选用离合手轮。
4.圆顶指示器:视镜指示清晰,观察更直观、方便。
5.干燥器:防止由于温度和天气变化导致执行器内部水分凝结,保持内部电气元件的干燥。
6.密封:密封性能良好,标准产品防护等级是IP66,并可选IP67防护等级。
7.限位开关:机械、电子双重限位。机械限位螺钉可调,安全可靠;电子限位开关由凸轮机构来控制,简单的调整机构能精确并方便地设定位置。
8.自锁:精密的蜗轮蜗杆机构可高效传输大扭矩。效率高,寿命长,有自锁功能,防止反转,传动部分稳定可靠,无需再加油。
9.防脱螺栓:拆除外壳时,螺栓附在壳体上,不会脱落。
10.安装:底部安装尺寸符合ISO5211国际标准,孔成双四方形便于45转角安装,适应性强。可以垂直安装,也可以水平安装。
11.线路:控制线路符合单相或者三相电源标准,线路布置紧凑合理,接线端子可有效满足各种附加功能要求。
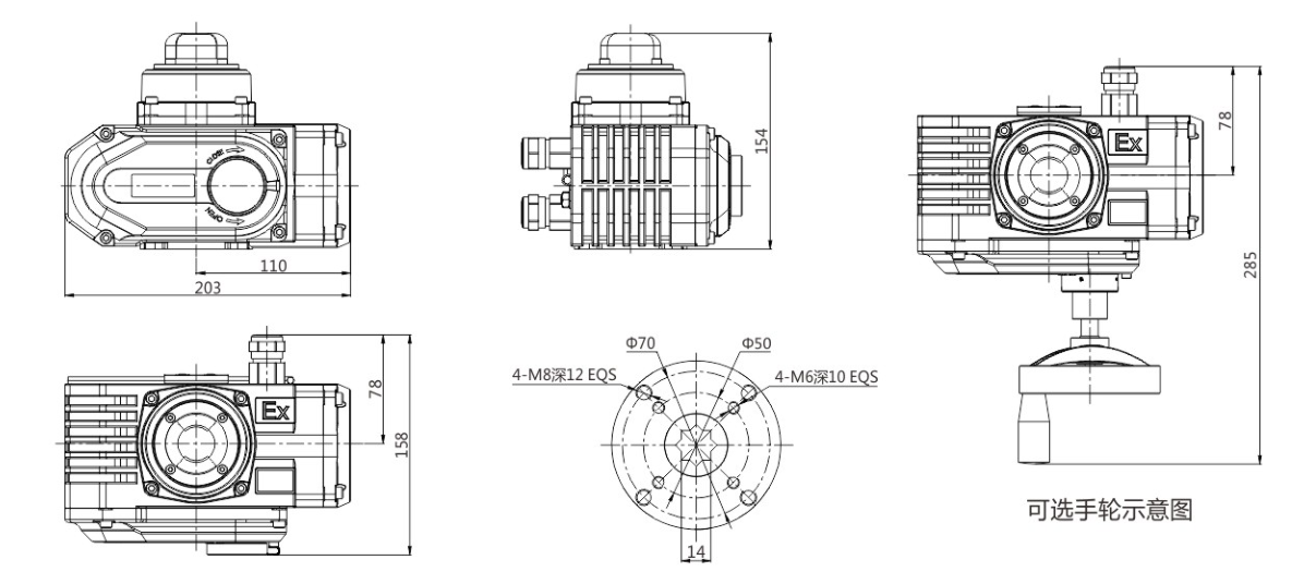
BNE005系列外形尺寸及性能参数:
型号 | BNE005 | ||||
电源 | DC24V | AC24V | AC110V | AC220V | AC380V |
电机功率 | 20W | 15W | |||
额定电流 | 1.8A | 2A | 0.5A | 0.3A | 0.1A |
标准时间/扭矩 | 20S/50Nm | 30S/50Nm | |||
可选时间/扭矩 | 25S/80Nm | 30S/50Nm 15S/30Nm 30S/30Nm 30S/80Nm | |||
动作模式 | S R P DC DR DP PL T | ||||
回转角度 | 0-90°可调 | ||||
耐压等级 | DC24V/AC24V 500VDC 60S AC110V/AC220V/AC380V 1500VAC 60S | ||||
绝缘等级 | DC24V/AC24V 100MΩ/250VDC AC110V/AC220V/AC380V 100MΩ/500VAC | ||||
防护等级 | IP66 | ||||
电气接口 | 防爆接头 | ||||
保护装置 | (自动恢复型)热保护器 | ||||
限位装置 | 电动工作:关位/开位 手动工作机械限位机构 | ||||
安装方位 | 任意角度安装 | ||||
环境温度 | -20℃-60℃ | ||||
箱体材料 | 铝合金 | ||||
选装功能 | 除湿加热器、离合手轮 | ||||
备选型号 | BNE008 | ||||


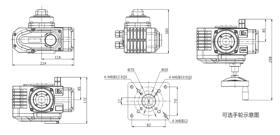
BNE010系列外形尺寸及性能参数:
型号 | BNE010 | ||||
电源 | DC24V | AC24V | AC110V | AC220V | AC380V |
电机功率 | 25W | 25W | |||
额定电流 | 2A | 2.2A | 0.6A | 0.3A | 0.2A |
标准时间/扭矩 | 20S/100Nm | 30S/100Nm | |||
可选时间/扭矩 | 15S/100Nm 30S/150Nm | ||||
动作模式 | S R P DC DR DP PL T | ||||
回转角度 | 0-90°可调 | ||||
耐压等级 | DC24V/AC24V 500VDC 60S AC110V/AC220V/AC380V 1500VAC 60S | ||||
绝缘等级 | DC24V/AC24V 100MΩ/250VDC AC110V/AC220V/AC380V 100MΩ/500VAC | ||||
防护等级 | IP66 | ||||
电气接口 | 防爆接头 | ||||
保护装置 | (自动恢复型)热保护器 | ||||
限位装置 | 电动工作:关位/开位 手动工作机械限位机构 | ||||
安装方位 | 任意角度安装 | ||||
环境温度 | -20℃-60℃ | ||||
箱体材料 | 铝合金 | ||||
选装功能 | 除湿加热器、离合手轮 | ||||
备选型号 | BNE015 | ||||


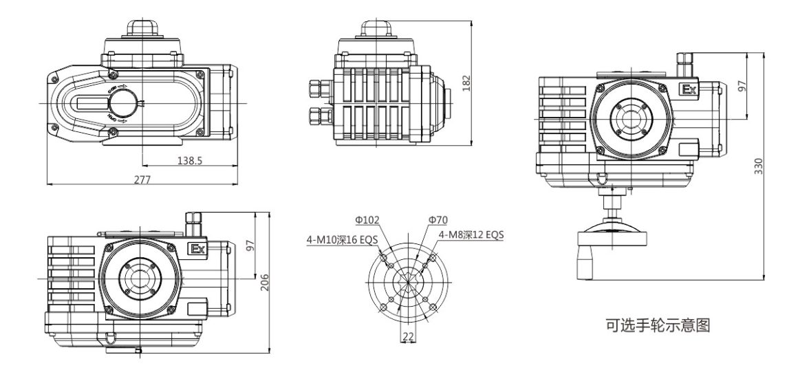
BNE020/040系列外形尺寸及性能参数:
型号 | BNE020 | BNE040 | |||||
电源 | DC24V | AC110V | AC220V | AC380V | AC110V | AC220V | AC380V |
电机功率 | 35W | 40W | 40W | 40W | 60W | 60W | 60W |
额定电流 | 4.5A | 0.8A | 0.4A | 0.2A | 1A | 0.5A | 0.3A |
标准时间/扭矩 | 20S/200Nm | 40S/200Nm | 40s/400Nm | ||||
可选时间/扭矩 | 20S/200Nm | 20S/400Nm | |||||
动作模式 | S R P DC DR DP PL T | ||||||
回转角度 | 0-90°可调 | ||||||
耐压等级 | DC24V 500VDC 60S AC110V/AC220V/AC380V 1500VAC 60S | ||||||
绝缘等级 | DC24V 100MΩ/250VDC AC110V/AC220V/AC380V 100MΩ/50VAC | ||||||
防护等级 | IP66 | ||||||
电气接口 | 防爆接头 | ||||||
保护装置 | (自动恢复型)热保护器 | ||||||
限位装置 | 电动工作:关位/开位 手动工作机械限位机构 | ||||||
安装方位 | 任意角度安装 | ||||||
环境温度 | -20℃-60℃ | ||||||
箱体材料 | 铝合金 | ||||||
选装功能 | 除湿加热器、离合手轮 | ||||||


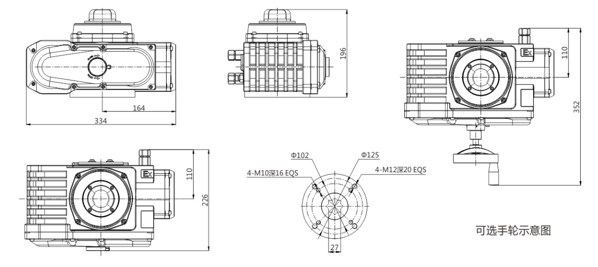
BNE060/100/1500系列外形尺寸及性能参数:
型号 | BNE060 | BNE100 | BNE150 | |||||||
电源 | DC24V | AC110V | AC220V | AC380V | AC110V | AC220V | AC380V | AC110V | AC220V | AC380V |
电机功率 | 70W | 90W | 90W | 90W | 120W | 120W | 120W | 140W | 140W | 140W |
额定电流 | 7A | 2.2A | 1.1A | 0.3A | 2.4A | 1.2A | 0.4A | 2.6A | 1.3A | 0.4A |
标准时间/扭矩 | 20S/400Nm 30S/600Nm | 40S/600Nm | 40S/1000Nm | 55S/1500Nm | ||||||
动作模式 | S R P DC DR DP PL T | |||||||||
回转角度 | 0-90°可调 | |||||||||
耐压等级 | DC24V 500VDC 60S AC110V/AC220V/ AC380V 1500VAC 60S | |||||||||
绝缘等级 | DC24b 100MΩ/250VDC AC110V/AC220V/AC380V 100MΩ/500VAC | |||||||||
防护等级 | IP66 | |||||||||
电气接口 | 防爆接头 | |||||||||
保护装置 | (自动恢复型)热保护器 | |||||||||
限位装置 | 电动工作:关位/开位 手动工作机械限位机构 | |||||||||
安装方位 | 任意角度安装 | |||||||||
环境温度 | -20℃-60℃ | |||||||||
箱体材料 | 铝合金 | |||||||||
选装功能 | 除湿加热器、离合手轮 | |||||||||






业务经理:陈连香
座机:0577-56576009
手机:15990739350
QQ:1148387844
业务经理:陈煋煋
座机:0577-56576010
手机:15355775027
QQ:2167633151
地址:中国 浙江省 温州市龙湾区永兴街道滨海三道四路119号
总机:0577-86378000,56576006,15990739350
传真:0577-86887882
网址:www.theoborn.cn , www.theoborn.com
业务经理:郑旋律
座机:0577-56576009
手机:15355775037
QQ:906381092