






BP系列拨叉式气动执行器产品特性:
1.封闭式箱体结构:中心箱体模块采用铸钢或者焊接板材质确保了足够的强度。
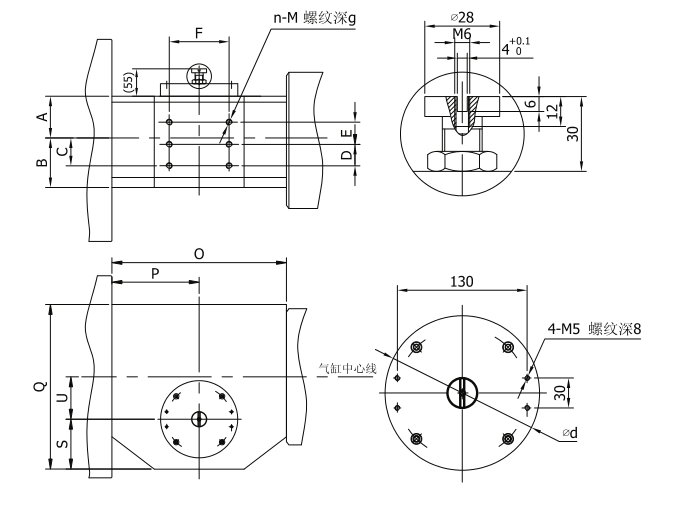
2.标准平台设计:底部与阀门连接法兰尺寸符合ISO5211标准,附件接口符合NAMUR VDI/VDE 3845标准,便于安装限位
开关、定位器等附件。
3.耐磨设计:经过优良表面处理的活塞杆及导向杆与自润滑的轴承组合,保证优良的耐磨性,延长所有滑动零件的使用寿命。
4.防水保护:箱体、箱盖、汽缸等连接处装有密封圈,以阻止外界的水分进入驱动装置内。
5.防腐蚀:BP系列气动执行器喷涂3层以上防护涂层,满足了石化、海滨等环境的要求。
6.自润滑性:BP系列气动执行器采用自润滑结构设计,无需再润滑,确保最大的耐磨性能和使用寿命。
7.模块化设计:BP系列气动执行器采用高效的和可互换的模块化设计,包括箱体、汽缸、弹簧、液压、手动等;模块化设计的
部件具有可替换,可仓储等特性,满足较短的供货周期。
8.安全弹簧模块:为保证在安装和维护弹簧模块时操作者的安全,弹簧模块只能整体沿着汽缸模块轴线移出,避免弹簧力对人
和执行器的伤害。
9.手动装置:可采用离合手动装置和液压手动装置。
10.免维护工作:BP系列气动执行器可以在免维护情况下提供长期高效的工作。
BP系列拨叉式气动执行器产品结构特点:
1.导向杆:镀硬铬合金钢导向杆对横向载荷提供良好支撑。
2.滑块:铝青铜滑块及高频淬火合金钢轴销可降低接触应力、提高使用寿命。
3.气缸:汽缸采用镀镍抛光处理,可有效提高其耐腐蚀性和减少摩擦系数。
4.导向环:采用低摩擦、长寿命复合材料,避免了金属和金属之间的直接接触,维修更换简单方便。
5.弹簧:高强度合金钢弹簧提供持续稳定的扭矩输出,提高循环使用寿命。
6.限位调节:双向行程限位螺钉,满足驱动装置905范围内可调,使阀门达到理想阀位。

总装图及零部件列表:

| 序号 | 名称 | 材质 | 序号 | 名称 | 材质 | 序号 | 名称 | 材质 |
| 1 | 箱体 | 碳钢 | 17 | 螺钉 | 不锈钢 | 33 | 螺柱 | 碳钢 |
| 2 | 箱盖 | 碳钢 | 18 | 螺栓 | 碳钢 | 34 | 螺母 | 碳钢 |
| 3 | 拨叉 | 碳钢 | 19 | 垫圈 | 弹簧钢 | 35 | 垫圈 | 弹簧钢 |
| 4 | 导向块 | 碳钢 | 20 | 活塞杆 | 碳钢 | 36 | 调节螺栓 | 碳钢 |
| 5 | 导向杆 | 合金钢 | 21 | 缸体 | 碳钢 | 37 | 螺母 | 碳钢 |
| 6 | 滑块 | 铜 | 22 | 活塞 | 碳钢 | 38 | O形圈 | NBR |
| 7 | 轴销 | 合金钢 | 23 | 前端盖 | 碳钢 | 39 | 调节螺栓套 | 碳钢 |
| 8 | 上轴套 | 铜 | 24 | 后端盖 | 碳钢 | 40 | 柱塞 | 碳钢 |
| 9 | 下轴套 | 铜 | 25 | O形圈 | NBR | 41 | 端盖法兰 | 碳钢 |
| 10 | 滑动轴承 | 铜+PTFE | 26 | 导向环 | PTFE | 42 | 弹簧缸 | 碳钢 |
| 11 | 挡圈 | 弹簧钢 | 27 | O形圈 | NBR | 43 | 弹簧 | 合金钢 |
| 12 | 螺栓 | 合金钢 | 28 | O形圈 | NBR | 44 | 弹簧座 | 碳钢 |
| 13 | 指示盖板 | 碳钢 | 29 | 螺母 | 碳钢 | 45 | 拉杆 | 碳钢 |
| 14 | 拨叉盖板 | 碳钢 | 30 | 垫圈 | 弹簧钢 | 46 | 螺母 | 碳钢 |
| 15 | 螺母 | 不锈钢 | 31 | O形圈 | NBR | 47 | 端盖压板 | 碳钢 |
| 16 | 指示螺钉 | 不锈钢 | 32 | 吊环 | 碳钢 | 48 | 螺钉 | 碳钢 |

| 型 号 | L1 | L | D | IN | H | X | 气腔容积 | |
| (NPT) | 气开 | 气关 | ||||||
| BP-065S-180*-D1 | 605 | 935 | 240 | 65 | 40 | 1/4” | 5.4 | 4.1 |
| BP-065S-235*-D1 | 605 | 935 | 310 | 65 | 75 | 1/2” | 9.3 | 7.1 |
| BP-065S-280*-D1 | 610 | 940 | 355 | 65 | 98 | 1/2” | 13.2 | 10.2 |
| BP-065S-335*-D1 | 630 | 960 | 415 | 65 | 128 | 1/2” | 19.2 | 15 |
| BP-085S-235*-D1 | 685 | 1045 | 310 | 85 | 70 | 1/2” | 11.5 | 9.2 |
| BP-085S-280*-D1 | 690 | 1050 | 355 | 85 | 93 | 1/2” | 16.3 | 13.2 |
| BP-085S-335*-D1 | 710 | 1070 | 415 | 85 | 123 | 1/2” | 23.6 | 19.4 |
| BP-085S-385*-D1 | 722 | 1080 | 465 | 85 | 148 | 1” | 31 | 25.5 |
| BP-085S-435*-D1 | 722 | 1080 | 515 | 85 | 173 | 1” | 39.5 | 32.6 |
| BP-100S-335*-D1 | 800 | 1210 | 415 | 100 | 104 | 1/2” | 27.1 | 22.9 |
| BP-100S-385*-D1 | 812 | 1220 | 465 | 100 | 129 | 1” | 35.6 | 30.1 |
| BP-100S-435*-D1 | 812 | 1220 | 515 | 100 | 154 | 1” | 45.5 | 38.5 |
| BP-100S-485*-D1 | 825 | 1235 | 570 | 100 | 181 | 1” | 56.2 | 47.5 |
| BP-100S-535*-D1 | 840 | 1250 | 620 | 100 | 206 | 1” | 68.3 | 57.9 |
| BP-130S-335*-D1 | 960 | 1460 | 415 | 130 | 97 | 1/2” | 34.2 | 28.7 |
| BP-130S-385*-D1 | 977 | 1475 | 465 | 130 | 122 | 1” | 45.5 | 38.5 |
| BP-130S-435*-D1 | 990 | 1490 | 515 | 130 | 147 | 1” | 57.8 | 49 |
| BP-130S-485*-D1 | 990 | 1490 | 570 | 130 | 174 | 1” | 71.9 | 61 |
| BP-130S-535*-D1 | 1005 | 1505 | 620 | 130 | 199 | 1” | 87.4 | 74.4 |
| BP-130S-585*-D1 | 1020 | 1520 | 680 | 130 | 229 | 1” | 104.6 | 89.1 |
| BP-130S-635*-D1 | 1020 | 1520 | 730 | 130 | 254 | 1” | 123.2 | 105.1 |
| BP-130S-685*-D1 | 1020 | 1520 | 780 | 130 | 279 | 1” | 143.4 | 122.4 |
| 型号 | L1 | L | D | IN | H | X | 气腔容积 | |
| (NPT) | 气开 | 气关 | ||||||
| BP-160S-385*-D1 | 1102 | 1655 | 465 | 160 | 103 | 1” | 54.2 | 47 |
| BP-160S-435*-D1 | 1115 | 1665 | 515 | 160 | 128 | 1” | 69 | 60 |
| BP-160S-485*-D1 | 1115 | 1665 | 570 | 160 | 155 | 1” | 85.7 | 74.8 |
| BP-160S-535*-D1 | 1130 | 1680 | 620 | 160 | 180 | 1” | 104.3 | 91.1 |
| BP-160S-585*-D1 | 1145 | 1695 | 680 | 160 | 210 | 1” | 124.7 | 109.1 |
| BP-160S-635*-D1 | 1145 | 1695 | 730 | 160 | 235 | 1” | 146.9 | 128.7 |
| BP-160S-685*-D1 | 1145 | 1695 | 780 | 160 | 260 | 1” | 171 | 149.9 |
| BP-160S-735*-D1 | 1150 | 1700 | 840 | 160 | 285 | 1” | 196.9 | 177 |
| BP-160S-785*-D1 | 1150 | 1700 | 890 | 160 | 305 | 1” | 224.6 | 202 |
| BP-200S-485*-D1 | 1335 | 1995 | 570 | 200 | 135 | 1” | 107 | 93.5 |
| BP-200S-535*-D1 | 1345 | 2005 | 620 | 200 | 160 | 1” | 129 | 113 |
| BP-200S-585*-D1 | 1360 | 2020 | 680 | 200 | 190 | 1” | 154.3 | 135.4 |
| BP-200S-635*-D1 | 1375 | 2035 | 730 | 200 | 215 | 1” | 181.8 | 159.8 |
| BP-200S-685*-D1 | 1390 | 2050 | 780 | 200 | 240 | 1” | 211.5 | 186.1 |
| BP-200S-735*-D1 | 1390 | 2050 | 840 | 200 | 270 | 1” | 243.5 | 214.5 |
| BP-200S-785*-D2 | 1390 | 2050 | 890 | 200 | 295 | 1” | 277.8 | 244.9 |
| BP-200S-835*-D3 | 1390 | 2050 | 940 | 200 | 320 | 1” | 314.3 | 277.3 |
| BP-200S-885*-D4 | 1405 | 2065 | 990 | 200 | 345 | 1” | 353.1 | 311.7 |
| BP-200S-935*-D5 | 1405 | 2065 | 1040 | 200 | 370 | 1” | 394.1 | 348 |
| BP-200S-985*-D1 | 1405 | 2065 | 1090 | 200 | 395 | 1” | 437.4 | 386.4 |
| BP-270S-785*-D1 | 1700 | 2510 | 890 | 270 | 225 | 1” | 328 | 293 |
| BP-270S-835*-D1 | 1700 | 2510 | 940 | 270 | 270 | 1” | 371 | 331 |
| BP-270S-885*-D1 | 1715 | 2525 | 990 | 270 | 295 | 1” | 417 | 372 |
| BP-270S-935*-D1 | 1715 | 2525 | 1040 | 270 | 320 | 1” | 466 | 415 |
| BP-270S-985*-D1 | 1715 | 2525 | 1090 | 270 | 345 | 1” | 517 | 461 |
| BP-270S-1050*-D1 | 1730 | 2540 | 1165 | 270 | 385 | 1” | 587 | 524 |
| BP-270S-1100*-D1 | 1730 | 2540 | 1220 | 270 | 410 | 1” | 644 | 575 |
| BP-270S-1150*-D1 | 1730 | 2540 | 1270 | 270 | 435 | 1” | 704 | 628 |
| BP-270S-1200*-D1 | 1730 | 2540 | 1320 | 270 | 460 | 1” | 767 | 684 |

| 型号 | L1 | L | D | D1 | IN | H | X (NPT) | 气腔容积 (Litres) |
| BP-065S-235*-S1 | 605 | 1515 | 310 | 273 | 65 | 75 | 1/2” | 7.1 |
| BP-065S-280*-S1 | 610 | 1520 | 355 | 273 | 65 | 98 | 1/2” | 10.2 |
| BP-065S-280*-S2 | 610 | 1520 | 355 | 273 | 65 | 98 | 1/2” | 10.2 |
| BP-065S-335*-S2 | 630 | 1540 | 415 | 273 | 65 | 128 | 1/2” | 15 |
| BP-065S-280*-S3 | 610 | 1485 | 355 | 325 | 65 | 98 | 1/2” | 10.2 |
| BP-065S-335*-S3 | 630 | 1505 | 415 | 325 | 65 | 128 | 1/2” | 15 |
| BP-065S-335*-S4 | 630 | 1535 | 415 | 325 | 65 | 128 | 1/2” | 15 |
| BP-085S-235*-S1 | 685 | 1625 | 310 | 273 | 85 | 70 | 1/2” | 9.2 |
| BP-085S-280*-S1 | 690 | 1630 | 355 | 273 | 85 | 93 | 1/2” | 13.2 |
| BP-085S-280*-S2 | 690 | 1630 | 355 | 273 | 85 | 93 | 1/2” | 13.2 |
| BP-085S-335*-S2 | 710 | 1650 | 415 | 273 | 85 | 123 | 1/2” | 19.4 |
| BP-085S-385*-S2 | 722 | 1662 | 465 | 273 | 85 | 148 | 1” | 25.5 |
| BP-085S-280*-S3 | 690 | 1645 | 355 | 325 | 85 | 93 | 1/2” | 13.2 |
| BP-085S-335*-S3 | 710 | 1665 | 415 | 325 | 85 | 123 | 1/2” | 19.4 |
| BP-085S-385*-S3 | 722 | 1677 | 465 | 325 | 85 | 148 | 1” | 25.5 |
| BP-085S-435*-S3 | 722 | 1677 | 515 | 325 | 85 | 173 | 1” | 32.6 |
| BP-085S-335*-S4 | 709 | 1685 | 415 | 325 | 85 | 123 | 1/2” | 19.4 |
| BP-085S-385*-S4 | 722 | 1697 | 465 | 325 | 85 | 148 | 1” | 25.5 |
| BP-085S-435*-S4 | 722 | 1697 | 515 | 325 | 85 | 173 | 1” | 32.6 |
| BP-085S-335*-S5 | 710 | 1665 | 415 | 325 | 85 | 123 | 1/2” | 19.4 |
| BP-085S-385*-S5 | 722 | 1677 | 465 | 325 | 85 | 148 | 1” | 25.5 |
| BP-085S-435*-S5 | 722 | 1677 | 515 | 325 | 85 | 173 | 1” | 32.6 |
| BP-085S-385*-S6 | 722 | 1682 | 465 | 325 | 85 | 148 | 1” | 25.5 |
| BP-085S-435*-S6 | 722 | 1682 | 515 | 325 | 85 | 173 | 1” | 32.6 |
| BP-085S-435*-S7 | 722 | 1772 | 515 | 406 | 85 | 173 | 1” | 32.6 |
| BP-100S-385*-S1 | 812 | 2017 | 465 | 406 | 100 | 129 | 1” | 22.9 |
| BP-100S-435*-S1 | 812 | 2017 | 515 | 406 | 100 | 154 | 1” | 30.1 |
| BP-100S-485*-S1 | 825 | 2030 | 570 | 406 | 100 | 181 | 1” | 38.5 |
| BP-100S-535*-S1 | 840 | 2045 | 620 | 406 | 100 | 206 | 1” | 47.5 |
| MODEL | L1 | L | D | D1 | IN | H | X (NPT) | 气腔容积 (Litres) |
| BP-100S-435*-S2 | 812 | 1957 | 515 | 406 | 100 | 154 | 1” | 38.5 |
| BP-100S-485*-S2 | 825 | 1970 | 570 | 406 | 100 | 181 | 1” | 47.5 |
| BP-100S-535*-S2 | 840 | 1985 | 620 | 406 | 100 | 206 | 1” | 57.9 |
| BP-130S-435*-S1 | 990 | 2365 | 515 | 457 | 130 | 147 | 1” | 49 |
| BP-130S-485*-S1 | 990 | 2365 | 570 | 457 | 130 | 174 | 1” | 61 |
| BP-130S-535*-S1 | 1005 | 2380 | 620 | 457 | 130 | 199 | 1” | 74.4 |
| BP-130S-585*-S1 | 1020 | 2395 | 680 | 457 | 130 | 229 | 1” | 89.1 |
| BP-130S-635*-S1 | 1020 | 2395 | 730 | 457 | 130 | 254 | 1” | 105.1 |
| BP-130S-535*-S2 | 1005 | 2390 | 620 | 508 | 130 | 199 | 1” | 74.4 |
| BP-130S-585*-S2 | 1020 | 2405 | 680 | 508 | 130 | 229 | 1” | 89.1 |
| BP-130S-635*-S2 | 1020 | 2405 | 730 | 508 | 130 | 254 | 1” | 105.1 |
| BP-130S-685*-S2 | 1020 | 2405 | 780 | 508 | 130 | 279 | 1” | 122.4 |
| BP-130S-585*-S3 | 1020 | 2425 | 680 | 508 | 130 | 229 | 1” | 89.1 |
| BP-130S-635*-S3 | 1020 | 2425 | 730 | 508 | 130 | 254 | 1” | 105.1 |
| BP-130S-685*-S3 | 1020 | 2425 | 780 | 508 | 130 | 279 | 1” | 122.4 |
| BP-130S-735*-S3 | 1035 | 2440 | 840 | 508 | 130 | 279 | 1” | 140.8 |
| BP-160S-535*-S1 | 1130 | 3250 | 620 | 600 | 160 | 180 | 1” | 91.1 |
| BP-160S-585*-S1 | 1145 | 3265 | 680 | 600 | 160 | 210 | 1” | 109.1 |
| BP-160S-635*-S1 | 1145 | 3265 | 730 | 600 | 160 | 235 | 1” | 128.7 |
| BP-160S-685*-S1 | 1145 | 3265 | 780 | 600 | 160 | 260 | 1” | 149.9 |
| BP-160S-735*-S1 | 1160 | 3280 | 840 | 600 | 160 | 285 | 1” | 177 |
| BP-160S-785*-S1 | 1160 | 3280 | 890 | 600 | 160 | 305 | 1” | 202 |
| BP-160S-585*-S2 | 1145 | 3095 | 680 | 600 | 160 | 210 | 1” | 109.1 |
| BP-160S-635*-S2 | 1145 | 3095 | 730 | 600 | 160 | 235 | 1” | 128.7 |
| BP-160S-685*-S2 | 1145 | 3095 | 780 | 600 | 160 | 260 | 1” | 149.9 |
| BP-160S-735*-S2 | 1140 | 3110 | 840 | 600 | 160 | 285 | 1” | 177 |
| BP-160S-785*-S2 | 1140 | 3110 | 890 | 600 | 160 | 305 | 1” | 202 |
| BP-160S-635*-S3 | 1145 | 3125 | 730 | 600 | 160 | 235 | 1” | 128.7 |
| BP-160S-685*-S3 | 1145 | 3125 | 780 | 600 | 160 | 260 | 1” | 149.9 |
| BP-160S-735*-S3 | 1160 | 3140 | 840 | 600 | 160 | 285 | 1” | 177 |
| BP-160S-785*-S3 | 1160 | 3140 | 890 | 600 | 160 | 305 | 1” | 202 |
| BP-200S-635*-S1 | 1375 | 3515 | 730 | 600 | 20 | 215 | 1” | 159.8 |
| BP-200S-685*-S1 | 1390 | 3530 | 780 | 600 | 20 | 240 | 1” | 186.1 |
| BP-200S-735*-S1 | 1390 | 3530 | 840 | 600 | 20 | 270 | 1” | 214.5 |
| BP-200S-785*-S1 | 1390 | 3530 | 890 | 600 | 20 | 295 | 1” | 244.9 |
| BP-200S-835*-S1 | 1390 | 3530 | 940 | 600 | 20 | 320 | 1” | 277.3 |
| BP-200S-885*-S1 | 1405 | 3545 | 990 | 600 | 20 | 345 | 1” | 311.7 |
| BP-200S-785*-S2 | 1390 | 3570 | 890 | 600 | 20 | 295 | 1” | 244.9 |
| BP-200S-835*-S2 | 1390 | 3570 | 940 | 600 | 20 | 320 | 1” | 277.3 |
| BP-200S-885*-S2 | 1405 | 3585 | 990 | 600 | 20 | 345 | 1” | 311.7 |
| BP-200S-935*-S2 | 1405 | 3585 | 1040 | 600 | 20 | 370 | 1” | 348 |
| BP-200S-985*-S2 | 1405 | 3585 | 1090 | 600 | 20 | 395 | 1” | 386.4 |
| BP-270S-785*-S1 | 1700 | 4410 | 890 | 720 | 270 | 225 | 1” | 293 |
| BP-270S-835*-S1 | 1700 | 4410 | 940 | 720 | 270 | 270 | 1” | 331 |
| BP-270S-885*-S1 | 1715 | 4425 | 990 | 720 | 270 | 295 | 1” | 372 |
| BP-270S-935*-S1 | 1715 | 4425 | 1040 | 720 | 270 | 320 | 1” | 415 |
| BP-270S-935*-S2 | 1715 | 4590 | 1040 | 720 | 270 | 320 | 1” | 415 |
| BP-270S-985*-S2 | 1715 | 4590 | 1090 | 720 | 270 | 345 | 1” | 461 |
| BP-270S-1050*-S2 | 1730 | 4605 | 1165 | 720 | 270 | 385 | 1” | 524 |
| BP-270S-1100*-S2 | 1730 | 4605 | 1220 | 720 | 270 | 410 | 1” | 575 |
| BP-270S-1150*-S2 | 1730 | 4605 | 1270 | 720 | 270 | 435 | 1” | 628 |
| BP-270S-1050*-S3 | 1730 | 4605 | 1165 | 720 | 270 | 385 | 1” | 524 |
| BP-270S-1100*-S3 | 1730 | 4605 | 1220 | 720 | 270 | 410 | 1” | 575 |
| BP-270S-1150*-S3 | 1730 | 4605 | 1270 | 720 | 270 | 435 | 1” | 628 |
| BP-270S-1200*-S3 | 1730 | 4605 | 1320 | 720 | 270 | 460 | 1” | 684 |
| BP-270S-1300*-S3 | 1730 | 4605 | 1420 | 720 | 270 | 510 | 1” | 900 |




| 型 号 | 输出扭矩 (Nm) | |||||||||||
| 4 Bar | 5 Bar | 6 Bar | 8 Bar | |||||||||
| 0° | 45° | 90° | 0° | 45° | 90° | 0° | 45° | 90° | 0° | 45° | 90° | |
| BP-065S-180*-D1 | 818 | 508 | 887 | 1,024 | 637 | 1,111 | 1,230 | 765 | 1,335 | 1,643 | 1,021 | 1,783 |
| BP-065S-235*-D1 | 1,427 | 887 | 1,548 | 1,786 | 1,111 | 1,938 | 2,145 | 1,334 | 2,328 | 2,863 | 1,780 | 3,107 |
| BP-065S-280*-D1 | 2,046 | 1,272 | 2,220 | 2,560 | 1,592 | 2,778 | 3,075 | 1,912 | 3,336 | |||
| BP-065S-335*-D1 | 2,950 | 1,834 | 3,201 | 3,691 | 2,295 | 4,005 | ||||||
| BP-085S-235*-D1 | 1,909 | 1,187 | 2,072 | 2,390 | 1,486 | 2,594 | 2,870 | 1,785 | 3,115 | 3,831 | 2,382 | 4,158 |
| BP-085S-280*-D1 | 2,737 | 1,702 | 2,971 | 3,426 | 2,130 | 3,718 | 4,114 | 2,558 | 4,465 | 5,490 | 3,413 | 5,958 |
| BP-085S-335*-D1 | 3,947 | 2,454 | 4,283 | 4,938 | 3,070 | 5,359 | 5,929 | 3,686 | 6,435 | 7,912 | 4,919 | 8,586 |
| BP-085S-385*-D1 | 5,234 | 3,254 | 5,681 | 6,548 | 4,071 | 7,107 | 7,862 | 4,888 | 8,532 | |||
| BP-085S-435*-D1 | 6,701 | 4,166 | 7,273 | 8,382 | 5,212 | 9,097 | ||||||
| BP-100S-335*-D1 | 4,688 | 2,914 | 5,090 | 5,866 | 3,646 | 6,369 | 7,043 | 4,378 | 7,647 | 9,398 | 5,842 | 10,204 |
| BP-100S-385*-D1 | 6,218 | 3,865 | 6,751 | 7,778 | 4,835 | 8,445 | 9,339 | 5,806 | 10,140 | 12,460 | 7,746 | 13,529 |
| BP-100S-435*-D1 | 7,960 | 4,948 | 8,643 | 9,957 | 6,190 | 10,811 | 11,954 | 7,431 | 12,979 | |||
| BP-100S-485*-D1 | 9,915 | 6,164 | 10,765 | 12,401 | 7,710 | 13,465 | ||||||
| BP-100S-535*-D1 | 12,083 | 7,512 | 13,119 | |||||||||
| BP-130S-335*-D1 | 6,120 | 3,804 | 6,649 | 7,657 | 4,759 | 8,319 | 9,194 | 5,715 | 9,989 | 12,268 | 7,626 | 13,329 |
| BP-130S-385*-D1 | 8,133 | 5,055 | 8,836 | 10,174 | 6,324 | 11,054 | 12,216 | 7,593 | 13,272 | 16,298 | 10,131 | 17,707 |
| BP-130S-435*-D1 | 10,426 | 6,481 | 11,327 | 13,042 | 8,107 | 14,169 | 15,657 | 9,732 | 17,011 | 20,889 | 12,984 | 22,694 |
| BP-130S-485*-D1 | 12,999 | 8,080 | 14,123 | 16,259 | 10,107 | 17,665 | 19,519 | 12,133 | 21,207 | 26,040 | 16,186 | 28,290 |
| BP-130S-535*-D1 | 15,853 | 9,854 | 17,223 | 19,827 | 12,324 | 21,541 | 23,802 | 14,795 | 25,859 | 31,751 | 19,736 | 34,495 |
| BP-130S-585*-D1 | 18,986 | 11,802 | 20,628 | 23,745 | 14,760 | 25,798 | 28,504 | 17,718 | 30,968 | |||
| BP-130S-635*-D1 | 22,400 | 13,924 | 24,337 | 28,014 | 17,413 | 30,435 | 33,627 | 20,902 | 36,534 | |||
| BP-130S-685*-D1 | 26,094 | 16,220 | 28,350 | 32,632 | 20,284 | 35,453 | ||||||
| BP-160S-385*-D1 | 10,077 | 6,262 | 10,955 | 12,606 | 7,834 | 13,704 | 15,135 | 9,406 | 16,454 | 20,193 | 12,550 | 21,953 |
| BP-160S-435*-D1 | 12,918 | 8,028 | 14,043 | 16,159 | 10,042 | 17,567 | 19,399 | 12,056 | 21,090 | 25,881 | 16,085 | 28,136 |
| BP-160S-485*-D1 | 16,106 | 10,010 | 17,509 | 20,145 | 12,520 | 21,901 | 24,184 | 15,030 | 26,292 | 32,263 | 20,051 | 35,074 |
| BP-160S-535*-D1 | 19,642 | 12,207 | 21,353 | 24,566 | 15,267 | 26,706 | 29,490 | 18,328 | 32,060 | 39,339 | 24,448 | 42,766 |
| BP-160S-585*-D1 | 23,524 | 14,620 | 25,574 | 29,420 | 18,284 | 31,984 | 35,317 | 21,949 | 38,394 | 47,109 | 29,278 | 51,214 |
| BP-160S-635*-D1 | 27,754 | 17,248 | 30,172 | 34,709 | 21,571 | 37,733 | 41,664 | 25,893 | 45,294 | |||
| BP-160S-685*-D1 | 32,330 | 20,093 | 35,147 | 40,431 | 25,127 | 43,954 | 48,531 | 30,161 | 52,760 | |||
| BP-160S-735*-D1 | 37,254 | 23,153 | 40,500 | 46,587 | 28,953 | 50,646 | ||||||
| BP-160S-785*-D1 | 42,525 | 26,429 | 46,230 | |||||||||
| 型 号 | 输出扭矩 (Nm) | |||||||||||
| 4 Bar | 5 Bar | 6 Bar | 8 Bar | |||||||||
| 0° | 45° | 90° | 0° | 45° | 90° | 0° | 45° | 90° | 0° | 45° | 90° | |
| BP-200S-485*-D1 | 20,349 | 12,653 | 22,077 | 25,453 | 15,827 | 27,614 | 30,556 | 19,000 | 33,150 | 40,763 | 25,346 | 44,224 |
| BP-200S-535*-D1 | 24,837 | 15,444 | 26,946 | 31,064 | 19,316 | 33,702 | 37,292 | 23,188 | 40,458 | 49,746 | 30,932 | 53,969 |
| BP-200S-585*-D1 | 29,766 | 18,509 | 32,293 | 37,227 | 23,148 | 40,388 | 44,688 | 27,787 | 48,482 | 59,610 | 37,065 | 64,671 |
| BP-200S-635*-D1 | 35,136 | 21,847 | 38,119 | 43,941 | 27,322 | 47,671 | 52,745 | 32,797 | 57,224 | 70,355 | 43,747 | 76,329 |
| BP-200S-685*-D1 | 40,946 | 25,460 | 44,422 | 51,205 | 31,839 | 55,552 | 61,464 | 38,218 | 66,682 | 81,982 | 50,977 | 88,942 |
| BP-200S-735*-D1 | 47,196 | 29,347 | 51,204 | 59,020 | 36,699 | 64,031 | 70,843 | 44,050 | 76,858 | 94,490 | 58,754 | 102,513 |
| BP-200S-785*-D1 | 53,888 | 33,508 | 58,463 | 67,386 | 41,901 | 73,107 | 80,884 | 50,294 | 87,751 | 107,879 | 67,080 | 117,039 |
| BP-200S-835*-D1 | 61,020 | 37,942 | 66,201 | 76,302 | 47,445 | 82,781 | 91,585 | 56,948 | 99,361 | |||
| BP-200S-885*-D1 | 68,593 | 42,651 | 74,416 | 85,770 | 53,332 | 93,052 | ||||||
| BP-200S-935*-D1 | 76,606 | 47,634 | 83,110 | 95,788 | 59,561 | 103,921 | ||||||
| BP-200S-985*-D1 | 85,060 | 52,890 | 92,282 | |||||||||
| BP-270S-785*-D1 | 73,763 | 45,898 | 79,805 | 92,239 | 57,394 | 99,795 | 110,716 | 68,891 | 119,784 | 147,669 | 91,884 | 159,764 |
| BP-270S-835*-D1 | 83,570 | 52,000 | 90,416 | 104,501 | 65,024 | 113,061 | 125,432 | 78,047 | 135,706 | 167,293 | 104,095 | 180,995 |
| BP-270S-885*-D1 | 93,984 | 58,480 | 101,682 | 117,520 | 73,125 | 127,146 | 141,056 | 87,769 | 152,610 | 188,129 | 117,059 | 203,538 |
| BP-270S-935*-D1 | 105,003 | 65,336 | 113,604 | 131,297 | 81,697 | 142,051 | 157,590 | 98,057 | 170,498 | |||
| BP-270S-985*-D1 | 116,629 | 72,570 | 126,181 | 145,830 | 90,740 | 157,775 | 175,032 | 108,910 | 189,369 | |||
| BP-270S-1050*-D1 | 132,647 | 82,537 | 143,512 | 165,857 | 103,201 | 179,422 | 199,067 | 123,865 | 215,372 | |||
| BP-270S-1100*-D1 | 145,666 | 90,638 | 157,598 | 182,133 | 113,329 | 197,051 | ||||||
| BP-270S-1200*-D1 | 173,522 | 107,971 | 187,735 | |||||||||

| 型号 | 输出扭矩 (Nm) | ||||||||||||||
| Spring | 3 Bar | 4 Bar | 5 Bar | 6 Bar | |||||||||||
| 0° | 45° | 90° | 90° | 45° | 0° | 90° | 45° | 0° | 90° | 45° | 0° | 90° | 45° | 0° | |
| BP-065S-235*-S1 | 948 | 485 | 664 | 741 | 345 | 400 | 1,100 | 568 | 790 | 1,459 | 792 | 1,180 | |||
| BP-065S-280*-S1 | 946 | 484 | 662 | 845 | 410 | 514 | 1,360 | 730 | 1,072 | ||||||
| BP-065S-280*-S2 | 1,582 | 810 | 1,109 | 1,418 | 689 | 867 | 1,932 | 1,009 | 1,425 | ||||||
| BP-065S-335*-S2 | 1,580 | 808 | 1,107 | 1,067 | 471 | 486 | 1,808 | 932 | 1,290 | 2,548 | 1,392 | 2,094 | |||
| BP-065S-280*-S3 | 1,968 | 1,033 | 1,470 | 1,564 | 762 | 963 | |||||||||
| BP-065S-335*-S3 | 1,966 | 1,032 | 1,468 | 1,440 | 685 | 827 | 2,180 | 1,145 | 1,631 | 2,921 | 1,606 | 2,435 | |||
| BP-065S-335*-S4 | 2,833 | 1,467 | 2,045 | 2,334 | 1,125 | 1,395 | |||||||||
| BP-085S-235*-S1 | 1,407 | 692 | 888 | 1,471 | 713 | 891 | 1,952 | 1,011 | 1,413 | ||||||
| BP-085S-280*-S1 | 1,404 | 690 | 885 | 1,131 | 501 | 522 | 1,819 | 929 | 1,269 | ||||||
| BP-085S-280*-S2 | 2,347 | 1,155 | 1,484 | 2,585 | 1,271 | 1,631 | |||||||||
| BP-085S-335*-S2 | 2,344 | 1,153 | 1,481 | 2,419 | 1,167 | 1,450 | 3,410 | 1,783 | 2,526 | 4,401 | 2,400 | 3,601 | |||
| BP-085S-385*-S2 | 2,342 | 1,151 | 1,478 | 2,392 | 1,151 | 1,421 | 3,706 | 1,968 | 2,847 | ||||||
| BP-085S-280*-S3 | 2,570 | 1,265 | 1,626 | 2,441 | 1,150 | 1,364 | |||||||||
| BP-085S-335*-S3 | 2,567 | 1,263 | 1,623 | 2,274 | 1,046 | 1,183 | 3,266 | 1,662 | 2,259 | 4,257 | 2,278 | 3,334 | |||
| BP-085S-385*-S3 | 2,564 | 1,261 | 1,620 | 2,248 | 1,030 | 1,154 | 3,562 | 1,846 | 2,580 | ||||||
| BP-085S-435*-S3 | 2,561 | 1,259 | 1,617 | 3,348 | 1,713 | 2,348 | |||||||||
| BP-085S-335*-S4 | 3,791 | 1,841 | 2,312 | 3,555 | 1,640 | 1,866 | |||||||||
| BP-085S-385*-S4 | 3,788 | 1,839 | 2,309 | 5,487 | 2,841 | 3,964 | |||||||||
| BP-085S-435*-S4 | 3,785 | 1,837 | 2,306 | 4,326 | 2,120 | 2,704 | 6,008 | 3,165 | 4,528 | ||||||
| BP-085S-335*-S5 | 3,986 | 1,962 | 2,524 | 3,339 | 1,505 | 1,632 | |||||||||
| BP-085S-385*-S5 | 3,983 | 1,961 | 2,521 | 3,958 | 1,890 | 2,304 | 5,271 | 2,707 | 3,729 | ||||||
| BP-085S-435*-S5 | 3,981 | 1,959 | 2,518 | 4,111 | 1,985 | 2,470 | 5,792 | 3,031 | 4,294 | 7,473 | 4,076 | 6,119 | |||
| BP-085S-385*-S6 | 4,926 | 2,425 | 3,120 | 4,661 | 2,193 | 2,598 | |||||||||
| BP-085S-435*-S6 | 4,924 | 2,424 | 3,117 | 5,182 | 2,517 | 3,163 | 6,863 | 3,562 | 4,988 | ||||||
| BP-085S-435*-S7 | 6,315 | 3,165 | 4,196 | 5,765 | 2,743 | 3,319 | |||||||||
| BP-100S-385*-S1 | 6,306 | 2,857 | 3,132 | 6,124 | 2,631 | 2,542 | |||||||||
| BP-100S-435*-S1 | 6,303 | 2,855 | 3,128 | 6,742 | 3,015 | 3,213 | 8,739 | 4,257 | 5,382 | ||||||
| BP-100S-485*-S1 | 6,300 | 2,853 | 3,125 | 6,700 | 2,990 | 3,168 | 9,186 | 4,535 | 5,868 | ||||||
| BP-100S-535*-S1 | 6,297 | 2,851 | 3,121 | 5,839 | 2,454 | 2,233 | 8,868 | 4,337 | 5,522 | ||||||
| BP-100S-435*-S2 | 7,330 | 3,493 | 4,243 | 7,604 | 3,552 | 4,150 | |||||||||
| BP-100S-485*-S2 | 7,326 | 3,491 | 4,239 | 8,052 | 3,830 | 4,636 | 10,538 | 5,376 | 7,336 | ||||||
| BP-100S-535*-S2 | 7,323 | 3,489 | 4,236 | 7,733 | 3,632 | 4,290 | 10,763 | 5,515 | 7,579 | ||||||
| BP-130S-435*-S1 | 9,462 | 4,789 | 6,461 | 9,044 | 4,414 | 5,605 | |||||||||
| BP-130S-485*-S1 | 9,458 | 4,786 | 6,456 | 9,646 | 4,788 | 6,259 | 12,906 | 6,815 | 9,801 | ||||||
| BP-130S-535*-S1 | 9,454 | 4,784 | 6,452 | 9,240 | 4,536 | 5,817 | 13,214 | 7,006 | 10,135 | 17,189 | 9,477 | 14,453 | |||
| BP-130S-585*-S1 | 9,450 | 4,781 | 6,447 | 7,615 | 3,525 | 4,051 | 12,373 | 6,484 | 9,222 | 17,132 | 9,442 | 14,392 | |||
| BP-130S-635*-S1 | 9,445 | 4,778 | 6,442 | 10,174 | 5,116 | 6,832 | 15,787 | 8,605 | 12,930 | ||||||
| 型号 | 输出扭矩 (Nm) | ||||||||||||||
| Spring | 3 Bar | 4 Bar | 5 Bar | 6 Bar | |||||||||||
| 0° | 45° | 90° | 90° | 45° | 0° | 90° | 45° | 0° | 90° | 45° | 0° | 90° | 45° | 0° | |
| BP-130S-535*-S2 | 12,429 | 6,291 | 8,488 | 11,143 | 5,340 | 6,562 | 15,117 | 7,811 | 10,880 | ||||||
| BP-130S-585*-S2 | 12,425 | 6,288 | 8,483 | 10,302 | 4,817 | 5,648 | 15,061 | 7,776 | 10,819 | ||||||
| BP-130S-635*-S2 | 12,421 | 6,286 | 8,479 | 13,716 | 6,939 | 9,357 | 19,329 | 10,429 | 15,456 | ||||||
| BP-130S-685*-S2 | 12,417 | 6,283 | 8,474 | 10,872 | 5,172 | 6,267 | 17,410 | 9,236 | 13,370 | ||||||
| BP-130S-585*-S3 | 16,402 | 8,093 | 10,472 | 17,796 | 8,739 | 11,214 | |||||||||
| BP-130S-635*-S3 | 16,397 | 8,091 | 10,468 | 17,305 | 8,434 | 10,681 | |||||||||
| BP-130S-685*-S3 | 16,393 | 8,088 | 10,463 | 15,386 | 7,241 | 8,596 | 21,924 | 11,305 | 15,699 | ||||||
| BP-130S-735*-S3 | 16,389 | 8,085 | 10,459 | 11,828 | 5,029 | 4,730 | 19,360 | 9,711 | 12,913 | ||||||
| BP-160S-535*-S1 | 16,275 | 8,880 | 13,372 | 15,834 | 8,475 | 12,437 | |||||||||
| BP-160S-585*-S1 | 16,270 | 8,876 | 13,366 | 15,764 | 8,432 | 12,361 | 21,660 | 12,096 | 18,771 | ||||||
| BP-160S-635*-S1 | 16,265 | 8,873 | 13,360 | 14,097 | 7,396 | 10,549 | 21,052 | 11,718 | 18,110 | ||||||
| BP-160S-685*-S1 | 16,260 | 8,870 | 13,355 | 18,674 | 10,240 | 15,524 | 26,774 | 15,275 | 24,331 | ||||||
| BP-160S-735*-S1 | 16,255 | 8,867 | 13,349 | 14,265 | 7,500 | 10,731 | 23,598 | 13,300 | 20,877 | ||||||
| BP-160S-785*-S1 | 16,249 | 8,863 | 13,344 | 18,217 | 9,956 | 15,028 | |||||||||
| BP-160S-585*-S2 | 18,940 | 10,209 | 15,127 | 19,870 | 10,623 | 15,563 | |||||||||
| BP-160S-635*-S2 | 18,935 | 10,206 | 15,121 | 19,262 | 10,245 | 14,902 | 26,217 | 14,567 | 22,463 | ||||||
| BP-160S-685*-S2 | 18,929 | 10,203 | 15,116 | 16,884 | 8,767 | 12,317 | 24,984 | 13,801 | 21,123 | ||||||
| BP-160S-735*-S2 | 18,924 | 10,200 | 15,110 | 21,808 | 11,827 | 17,670 | 31,140 | 17,627 | 27,816 | ||||||
| BP-160S-785*-S2 | 18,919 | 10,196 | 15,104 | 16,427 | 8,483 | 11,820 | 27,078 | 15,103 | 23,400 | ||||||
| BP-160S-635*-S3 | 23,942 | 12,890 | 19,068 | 22,204 | 11,601 | 16,447 | |||||||||
| BP-160S-685*-S3 | 23,937 | 12,887 | 19,062 | 20,972 | 10,835 | 15,106 | 29,072 | 15,869 | 23,913 | ||||||
| BP-160S-735*-S3 | 23,931 | 12,884 | 19,057 | 17,795 | 8,861 | 11,653 | 27,128 | 14,661 | 21,799 | ||||||
| BP-160S-785*-S3 | 23,926 | 12,880 | 19,051 | 23,066 | 12,136 | 17,383 | 33,718 | 18,756 | 28,963 | ||||||
| BP-200S-635*-S1 | 31,409 | 16,372 | 23,055 | 29,165 | 14,644 | 19,460 | |||||||||
| BP-200S-685*-S1 | 31,403 | 16,368 | 23,047 | 27,625 | 13,686 | 17,788 | 37,884 | 20,065 | 28,918 | ||||||
| BP-200S-735*-S1 | 31,396 | 16,364 | 23,040 | 23,616 | 11,194 | 13,440 | 35,440 | 18,546 | 26,267 | ||||||
| BP-200S-785*-S1 | 31,390 | 16,360 | 23,033 | 30,308 | 15,355 | 20,699 | 43,806 | 23,748 | 35,343 | ||||||
| BP-200S-835*-S1 | 31,383 | 16,356 | 23,026 | 22,157 | 10,287 | 11,857 | 37,440 | 19,789 | 28,437 | ||||||
| BP-200S-885*-S1 | 31,376 | 16,351 | 23,019 | 27,835 | 13,817 | 18,017 | 45,013 | 24,498 | 36,652 | ||||||
| BP-200S-785*-S2 | 45,558 | 22,967 | 30,719 | 49,474 | 24,838 | 32,998 | |||||||||
| BP-200S-835*-S2 | 45,551 | 22,963 | 30,712 | 44,893 | 21,989 | 28,027 | 60,175 | 31,492 | 44,608 | ||||||
| BP-200S-885*-S2 | 45,545 | 22,959 | 30,704 | 37,183 | 17,195 | 19,663 | 54,360 | 27,876 | 38,299 | ||||||
| BP-200S-935*-S2 | 45,538 | 22,955 | 30,697 | 45,196 | 22,178 | 28,357 | 64,378 | 34,105 | 49,168 | ||||||
| BP-200S-985*-S2 | 45,532 | 22,951 | 30,690 | 32,353 | 14,192 | 14,423 | 53,650 | 27,434 | 37,528 | ||||||
| BP-270S-785*-S1 | 63,158 | 30,925 | 39,212 | 70,500 | 34,612 | 44,090 | |||||||||
| BP-270S-835*-S1 | 63,149 | 30,919 | 39,202 | 64,285 | 30,745 | 37,366 | 85,216 | 43,769 | 60,011 | ||||||
| BP-270S-885*-S1 | 63,140 | 30,914 | 39,192 | 53,768 | 24,201 | 25,988 | 77,304 | 38,846 | 51,452 | ||||||
| BP-270S-935*-S1 | 63,131 | 30,908 | 39,182 | 64,788 | 31,058 | 37,910 | |||||||||
| BP-270S-935*-S2 | 85,791 | 41,446 | 51,313 | 78,688 | 35,711 | 39,259 | 104,982 | 52,131 | 67,706 | ||||||
| BP-270S-985*-S2 | 85,782 | 41,441 | 51,303 | 93,222 | 44,814 | 54,984 | 122,424 | 62,984 | 86,578 | ||||||
| BP-270S-1050*-S2 | 85,770 | 41,433 | 51,290 | 80,039 | 36,611 | 40,721 | 113,249 | 57,275 | 76,651 | ||||||
| BP-270S-1100*-S2 | 85,761 | 41,428 | 51,280 | 93,058 | 44,712 | 54,806 | |||||||||
| BP-270S-1150*-S2 | 85,752 | 41,422 | 51,271 | 66,808 | 28,378 | 26,406 | 106,683 | 53,190 | 69,547 | ||||||
| BP-270S-1050*-S3 | 121,590 | 57,225 | 67,452 | 96,738 | 39,821 | 33,817 | 129,948 | 60,485 | 69,747 | ||||||
| BP-270S-1100*-S3 | 121,581 | 57,219 | 67,442 | 113,014 | 49,949 | 51,426 | 149,481 | 72,639 | 90,880 | ||||||
| BP-270S-1150*-S3 | 121,572 | 57,214 | 67,432 | 130,048 | 60,547 | 69,855 | |||||||||
| BP-270S-1200*-S3 | 121,563 | 57,208 | 67,422 | 104,404 | 44,591 | 42,110 | 147,839 | 71,617 | 89,103 | ||||||
| BP-270S-1300*-S3 | 121,545 | 57,197 | 67,403 | 134,683 | 63,432 | 74,870 | |||||||||
业务经理:陈连香
座机:0577-56576009
手机:15990739350
QQ:1148387844
业务经理:陈煋煋
座机:0577-56576010
手机:15355775027
QQ:2167633151
地址:中国 浙江省 温州市龙湾区永兴街道滨海三道四路119号
总机:0577-86378000,56576006,15990739350
传真:0577-86887882
网址:www.theoborn.cn , www.theoborn.com
业务经理:郑旋律
座机:0577-56576009
手机:15355775037
QQ:906381092