




.jpg)



产品设计特点:
1、挤压铝缸体采用阳极氧化等防腐蚀工艺处理,使用寿命长,摩擦系数低。
2、双活塞齿条采用铸铝硬质氧化工艺处理,结构紧凑、运行迅速、使用寿命长,简单的对调活塞可以改变气缸旋转方向。
3、一体式齿轮输出轴,表面采用镀镍工艺处理,使用寿命高,同时可定制尺寸和不锈钢材料。
4、压铸铝合金端盖表面喷塑处理,防腐性能好,可定制各种喷涂颜色或PTFE涂层。
5、两个独立的外部行程调节螺栓,在开启和关闭位置上可以精确地调整+/-5。
6、齿条和活塞上采用低摩擦力的导向环,避免金属与金属的直接接触,低摩擦力长寿命,维修更换简单方便。
7、组合式预压弹簧采用防腐涂层处理,具有较强的抗腐蚀性和使用寿命,拆装安全可靠,通过改变弹簧数量实现不同的力矩输出。
8、执行器全部采用优质的不锈钢紧固件,具有良好的抗腐蚀能力。
9、符合最新国际标准:ISO5211,DIN 3337和VDIVDE 3845 NAMUR,产品互换性高,便于限位开关和其他附件的安装连接。

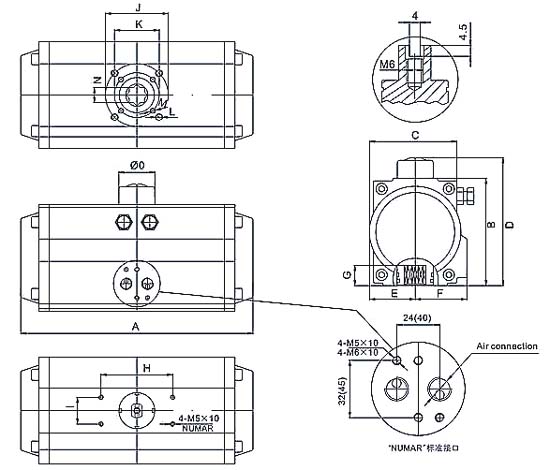
| 型号 | A | B | C | D | E | F | G | H | I | J | K | L | M | N | ΦO | 气源接口 |
| TBN032 | 114 | 46 | 47 | 70 | 23.5 | 23.5 | 11 | 50 | 25 | / | F03 | / | M5x8 | 9 | 30 | G1/8 |
| TBN052 | 158 | 74 | 60 | 99 | 30 | 41 | 14 | 80 | 30 | F05 | F03 | M6x11 | M5x10 | 11 | 40 | G1/4 |
| TBN063 | 190 | 88 | 69 | 113 | 36 | 45 | 18 | 80 | 30 | F07 | F05 | M8x15 | M6x12 | 14 | 40 | G1/4 |
| TBN075 | 206 | 100 | 79 | 125 | 42 | 52 | 20 | 80 | 30 | F07 | F05 | M8x13 | M6x11 | 14 | 40 | G1/4 |
| TBN083 | 213 | 109 | 88 | 134 | 46 | 52.5 | 20 | 80 | 30 | F07 | F05 | M8x15 | M6x12 | 17 | 40 | G1/4 |
| TBN092 | 259 | 120 | 97.5 | 145 | 51 | 57.5 | 22 | 80 | 30 | F07 | F05 | M8x13 | M6x12 | 17 | 40 | G1/4 |
| TBN105 | 284 | 133 | 105.5 | 158 | 57.5 | 64 | 24 | 80 | 30 | F10 | F07 | M10x18 | M8x14 | 22 | 40 | G1/4 |
| TBN125 | 340 | 155 | 120.5 | 182 | 67.5 | 70 | 27.5 | 80 | 30 | F10 | F07 | M10x18 | M8x14 | 22 | 65 | G1/4 |
| TBN140 | 414 | 171.5 | 137 | 198 | 76 | 77 | 32 | 80 | 30 | F12 | F10 | M12x22 | M10x18 | 27 | 65 | G1/4 |
| TBN160 | 476 | 197 | 159.5 | 224 | 86.5 | 87.5 | 34 | 80 | 30 | F12 | F10 | M12x22 | M10x18 | 27 | 65 | G1/4 |
| TBN190 | 524 | 230 | 186 | 269 | 103 | 103 | 40 | 130 | 30 | F14 | / | M16x23 | / | 36 | 78 | G1/4 |
| TBN210 | 559 | 255 | 202 | 294 | 113 | 113 | 40 | 130 | 30 | F14 | / | M16x25 | / | 36 | 78 | G1/4 |
| TBN240 | 668 | 291 | 233 | 330 | 129 | 129 | 50 | 130 | 30 | F16 | M20x28 | / | 46 | 78 | G3/8(1/4) | |
| TBN270 | 744 | 320 | 264 | 359 | 146 | 146 | 57 | 130 | 30 | F16 | / | M20x28 | / | 46 | 78 | G1/2(1/4) |
| TBN300 | 782 | 352 | 308 | 385 | 160 | 170 | 50 | 130 | 30 | F16 | / | M20x25 | / | 46 | 80 | G1/2 |
| TBN350 | 920 | 410 | 362 | 440 | 190 | 195 | 50 | 130 | 30 | F25 | F16 | M16x24 | M20x25 | 55 | 80 | G1/2 |
| TBN400 | 935 | 460 | 446 | 494 | 260 | 260 | 60 | 130 | 30 | F25 | F16 | M16x24 | M20x25 | 55 | 80 | G1/2 |
| 型号 | 气源输出力矩 (Nm) | ||||||
| 2 bar | 3 bar | 4 bar | 5 bar | 6 bar | 7 bar | 8 bar | |
| TBN032D | 2.7 | 4.1 | 5.9 | 7.4 | 8.8 | 9.8 | 11.3 |
| TBN052D | 7.7 | 11.6 | 15.5 | 19.3 | 23.2 | 27.1 | 31 |
| TBN063D | 13.8 | 20.6 | 27.5 | 34.4 | 41.3 | 48.2 | 55 |
| TBN075D | 22.3 | 33.7 | 44.7 | 55.9 | 67 | 78.2 | 89.3 |
| TBN083D | 28.2 | 42.3 | 56.4 | 70.5 | 84.6 | 98.7 | 112.9 |
| TBN092D | 43.2 | 64.8 | 86.5 | 108 | 129.6 | 151.2 | 172.8 |
| TBN105D | 63.1 | 94.7 | 127.2 | 157.8 | 189.4 | 220.9 | 252.5 |
| TBN125D | 108.4 | 162.7 | 216.9 | 271.1 | 325.3 | 379.5 | 433.8 |
| TBN140D | 163.2 | 244.8 | 326.4 | 408 | 489.6 | 571.2 | 652.8 |
| TBN160D | 251.4 | 377 | 502.7 | 628.4 | 754.1 | 879.7 | 1005.4 |
| TBN190D | 405.1 | 607.7 | 810.2 | 1012.8 | 1215.3 | 1417.9 | 1620.4 |
| TBN210D | 557 | 835 | 1113 | 1392 | 1670 | 1948 | 2227 |
| TBN240D | 873 | 1309 | 1745 | 2182 | 2618 | 3054 | 3491 |
| TBN270D | 1227 | 1841 | 2454 | 3068 | 3681 | 4295 | 4908 |
| TBN300D | 1526 | 2289 | 3052 | 3815 | 4578 | 5341 | 6104 |
| TBN350D | 2285 | 3427 | 4570 | 5712 | 6854 | 7997 | 9139 |
| TBN400D | 3256 | 4884 | 6512 | 8140 | 9768 | 11396 | 13024 |
| 气源克服弹簧输出力矩 | 弹簧输出力矩 | ||||||||||||
| (bar) | 3 | 4 | 5 | 6 | 7 | ||||||||
| 型号 | 弹 | 0° | 90° | 0° | 90° | 0° | 90° | 0° | 90° | 0° | 90° | 0° | 90° |
| Start | End | Start | End | Start | End | Start | End | Start | End | Start | End | ||
| TBN052S | 6 | 7.1 | 4.2 | 10.9 | 7.8 | 4.6 | 7.4 | ||||||
| 8 | 9.5 | 5.7 | 13.3 | 9.3 | 6 | 9.7 | |||||||
| 10 | 8 | 3.5 | 11.9 | 7.1 | 15.7 | 10.7 | 7.5 | 12.2 | |||||
| 12 | 10.4 | 5 | 14.2 | 8.6 | 18.1 | 12.1 | 9 | 14.6 | |||||
| TBN063S | 6 | 13.1 | 7.5 | 20.2 | 13.5 | 27.3 | 19.7 | 7.6 | 13.1 | ||||
| 8 | 17.5 | 10 | 24.5 | 16 | 31.6 | 22.1 | 10.1 | 17.6 | |||||
| 10 | 14.8 | 6.4 | 21.9 | 12.5 | 29 | 18.5 | 36.1 | 24.6 | 12.5 | 21.9 | |||
| 12 | 19.1 | 8.9 | 26.2 | 14.9 | 33.3 | 21 | 15 | 26.3 | |||||
| TBN075S | 6 | 20.5 | 12.9 | 31.8 | 23.4 | 13.5 | 21 | ||||||
| 8 | 27.2 | 17.1 | 38.6 | 27.7 | 18.1 | 28 | |||||||
| 10 | 22.6 | 10.8 | 34 | 21.4 | 45.4 | 32 | 56.8 | 42.6 | 22.5 | 35 | |||
| 12 | 29.5 | 15.1 | 40.8 | 25.7 | 52.3 | 36.3 | 27 | 42 | |||||
| TBN083S | 6 | 26.1 | 17.2 | 40.3 | 30.4 | 16.5 | 25.5 | ||||||
| 8 | 34.8 | 22.8 | 48.9 | 36.2 | 22 | 34 | |||||||
| 10 | 29.4 | 15.1 | 43.5 | 28.5 | 57.7 | 41.9 | 71.7 | 55.2 | 27.6 | 42.5 | |||
| 12 | 38.1 | 20.9 | 52.3 | 34.1 | 66.3 | 47.5 | 33.1 | 51.1 | |||||
| TBN092S | 6 | 38.9 | 26 | 60.6 | 47.7 | 26.3 | 39.2 | ||||||
| 8 | 51.8 | 34.6 | 73.5 | 56.3 | 35.1 | 52.3 | |||||||
| 10 | 43 | 21.5 | 64.8 | 43.3 | 86.5 | 65 | 108.2 | 86.7 | 43.9 | 65.4 | |||
| 12 | 56 | 30.2 | 77.7 | 51.9 | 99.4 | 73.6 | 52.6 | 78.4 | |||||
| TBN105S | 6 | 58.4 | 35.7 | 91.4 | 65.5 | 35.9 | 58.6 | ||||||
| 8 | 78.9 | 48.5 | 110 | 76.5 | 47.8 | 78.1 | |||||||
| 10 | 66.4 | 31.6 | 97.4 | 59.6 | 129.5 | 88.4 | 161.4 | 117.3 | 59.8 | 97.6 | |||
| 12 | 84.9 | 42.7 | 116.8 | 71.5 | 148.9 | 100.4 | 71.7 | 117.1 | |||||
| TBN125S | 6 | 99.5 | 37 | 155.4 | 113.4 | 62.7 | 100.1 | ||||||
| 8 | 132.7 | 82.9 | 188.6 | 134.2 | 83.6 | 133.4 | |||||||
| 10 | 109.8 | 52.3 | 165.8 | 103.6 | 221.8 | 154.9 | 104.5 | 166.8 | |||||
| 12 | 143 | 73 | 199 | 124.3 | 254.9 | 175.6 | 125.4 | 200.2 | |||||
| TBN140S | 6 | 149.2 | 94.3 | 232.6 | 173.3 | 95.6 | 150.5 | ||||||
| 8 | 198.9 | 125.8 | 282.2 | 204.8 | 127.4 | 200.6 | |||||||
| 10 | 165.3 | 78.3 | 248.6 | 157.2 | 331.9 | 236.2 | 415.9 | 315.1 | 159.3 | 250.8 | |||
| 12 | 215 | 109.7 | 298.3 | 188.6 | 381.7 | 267.7 | 191.2 | 301 | |||||
| TBN160S | 6 | 227.8 | 146.8 | 356.2 | 272.5 | 149.1 | 230.2 | ||||||
| 8 | 175.4 | 71.8 | 303.7 | 195.8 | 432.1 | 321.4 | 198.7 | 306.9 | |||||
| 10 | 251.3 | 119.1 | 379.7 | 244.8 | 508 | 370.5 | 248.4 | 383.6 | |||||
| 12 | 327.3 | 168.1 | 455.6 | 293.8 | 584 | 419.4 | 298.1 | 460.3 | |||||
| TBN190S | 6 | 370.1 | 229.7 | 277 | 423.6 | 234.8 | 371.6 | ||||||
| 8 | 493.4 | 306.3 | 700.3 | 500.2 | 313.1 | 495.5 | |||||||
| 10 | 410 | 188.9 | 616.9 | 382.9 | 823.8 | 576.8 | 1030.7 | 770.8 | 391.3 | 619.4 | |||
| 12 | 533.4 | 265.5 | 740.3 | 459.5 | 947.1 | 653.4 | 469.6 | 743.3 | |||||
| TBN210S | 6 | 508.6 | 326.5 | 792.9 | 602.4 | 322.7 | 505.1 | ||||||
| 8 | 678.1 | 435.3 | 962.4 | 694 | 430.3 | 673.4 | |||||||
| 10 | 583.4 | 268.8 | 847.7 | 544.1 | 1131.9 | 819.5 | 1416.2 | 1094.9 | 537.8 | 841.8 | |||
| 12 | 733 | 377.6 | 1017.2 | 653 | 1301.5 | 928.3 | 645.3 | 1010.1 | |||||
| TBN240S | 6 | 788 | 523 | 1229 | 963 | 518 | 783 | ||||||
| 8 | 1052 | 697 | 1493 | 1138 | 690 | 1045 | |||||||
| 10 | 874 | 430 | 1315 | 871 | 1756 | 1312 | 2197 | 1753 | 862 | 1306 | |||
| 12 | 1137 | 604 | 1578 | 1045 | 2019 | 1486 | 1034 | 1567 | |||||
| TBN270S | 6 | 1110 | 743 | 1730 | 1369 | 735 | 1101 | ||||||
| 8 | 1479 | 990 | 2100 | 1617 | 980 | 1469 | |||||||
| 10 | 1324 | 611 | 1849 | 1238 | 2469 | 1865 | 3089 | 2491 | 1225 | 1838 | |||
| 12 | 1599 | 859 | 2219 | 1486 | 2839 | 2112 | 1470 | 2203 | |||||
| TBN300S | 6 | 1453 | 1013 | 846 | 1257 | ||||||||
| 8 | 1153 | 590 | 1939 | 1352 | 2724 | 2113 | 987 | 1465 | |||||
| 10 | 1619 | 928 | 2424 | 1689 | 3209 | 2450 | 3994 | 3211 | 1410 | 2094 | |||
| 12 | 1974 | 1023 | 2759 | 1784 | 3612 | 2545 | 1768 | 2753 | |||||
| TBN350S | 6 | 2078 | 1380 | 1345 | 1995 | ||||||||
| 8 | 1594 | 701 | 2770 | 1841 | 3946 | 2981 | 1794 | 2660 | |||||
| 10 | 2288 | 1162 | 3464 | 2302 | 4639 | 3441 | 5815 | 4581 | 2241 | 3325 | |||
| 12 | 3058 | 1460 | 4233 | 2599 | 5409 | 3739 | 2528 | 4149 | |||||
| TBN400S | 6 | 2834 | 1570 | 1962 | 3250 | ||||||||
| 8 | 2301 | 758 | 3960 | 2365 | 5617 | 3972 | 2452 | 4874 | |||||
| 10 | 3425 | 1553 | 5083 | 3159 | 6741 | 4766 | 8398 | 6372 | 2942 | 4874 | |||
| 12 | 4312 | 2059 | 5969 | 3665 | 7863 | 5272 | 3650 | 5975 | |||||
型号 | TBN032 | TBN052 | TBN063 | TBN075 | TBN083 | TBN092 | TBN105 | TBN125 | TBN140 |
双作用(kg) | 0.54 | 1.41 | 2.21 | 2.97 | 3.38 | 5.21 | 6.32 | 10.1 | 14.7 |
单作用(kg) | 0.54 | 1.518 | 2.45 | 3.33 | 3.86 | 5.796 | 7.4 | 11.912 | 17.76 |
型号 | TBN160 | TBN190 | TBN210 | TBN240 | TBN270 | TBN300 | TBN350 | TBN400 | |
双作用(kg) | 21.6 | 31.8 | 41.8 | 62 | 87.6 | 120 | 170 | 230 | |
单作用(kg) | 25.656 | 40.8 | 53.08 | 79.16 | 109.032 | 150.84 | 213.476 | 284 |
型号 | TBN032 | TBN052 | TBN063 | TBN075 | TBN083 | TBN092 | TBN105 | TBN125 | TBN140 |
开向容积(L) | 0.04 | 0.09 | 0.14 | 0.21 | 0.29 | 0.49 | 0.70 | 1.20 | 1.70 |
关向容积(L) | 0.05 | 0.12 | 0.20 | 0.30 | 0.41 | 0.71 | 0.99 | 1.60 | 2.40 |
型号 | TBN160 | TBN190 | TBN210 | TBN240 | TBN270 | TBN300 | TBN350 | TBN400 | |
开向容积(L) | 2.60 | 4.20 | 5.70 | 9.00 | 12.60 | 21.40 | 31.20 | 47.90 | |
关向容积(L) | 3.70 | 5.90 | 8.20 | 12.80 | 17.90 | 30.00 | 43.70 | 67.10 |
业务经理:陈连香
座机:0577-56576009
手机:15990739350
QQ:1148387844
业务经理:陈煋煋
座机:0577-56576010
手机:15355775027
QQ:2167633151
地址:中国 浙江省 温州市龙湾区永兴街道滨海三道四路119号
总机:0577-86378000,56576006,15990739350
传真:0577-86887882
网址:www.theoborn.cn , www.theoborn.com
业务经理:郑旋律
座机:0577-56576009
手机:15355775037
QQ:906381092