






TBNS系列不锈钢气动执行器是以压缩空气为动力,通过活塞条的直线运动带动输出轴的齿轮传动,以转角行程输出的气动执行器。有双作用及单作用型,广泛适用于球阀、蝶阀、旋塞阀等角行程阀门的开关和调节,也可适用于其他回转场合,是实现工业管道自动化控制的理想装置。
产品设计特点:
1.316、304不锈钢材质执行器,外表电解抛光,光洁美观,抗腐蚀性能强,适合于抗腐蚀要求极高的工程环境。
2.双活塞齿轮齿条式设计,结构紧凑、安装位置对称、改变输出轴转向方使,使用寿命长、动作迅速。
3.活塞齿条背面装有复合轴承及导向环,动作精确、摩擦系数小、使用寿命延长。
4.组合式预负荷镀层弹簧,工作寿命长、抗腐蚀性能强。
5.高精度齿轮和齿条,啮合间隙小、精度高,输出功率大。
6.两个独立的行程调节螺钉可以进行方便、精确5度调节开、关位置。
7.不锈钢紧固件,安全美观,抗腐蚀性强。
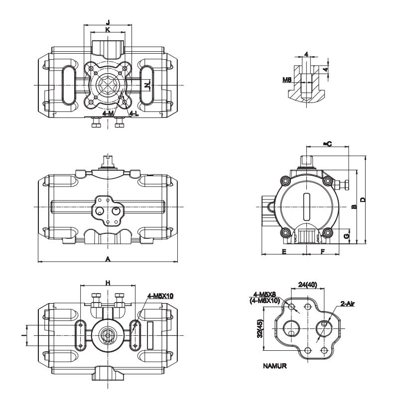
8.采用国际规范尺寸:输出轴槽、螺孔;顶部安装孔尺寸符合NAMUR标准;气源接口尺寸符合NAMUR标准;开关和其他附件的安装连接。
9.底部安装孔尺寸符合ISO5211、DIN3337标准,方便安装电磁阀限位开关等附件。
零件和材料:

| 型号 | 名称 | 数量 | 材料 |
| 1 | 指示螺钉 | 1 | 塑料 |
| 2 | 指标器 | 1 | 塑料 |
| 3 | 卡簧 | 1 | 不锈钢 |
| 4 | 垫片 | 1 | 不锈钢 |
| 5 | 外垫圈 | 1 | 工程塑料 |
| 6 | 缸体 | 1 | 不锈钢 |
| 7 | 活塞 | 2 | 不锈钢 |
| 8 | 活塞O形圈 | 2 | 氟橡胶、丁腈橡胶 |
| 9 | 活塞导向环 | 2 | 工程塑料 |
| 10 | 弹簧、弹簧座、弹簧连接杆 | 4-12 | 弹簧钢、工程塑料、铜 |
| 11 | 端盖 O 型圈 | 2 | 氟橡胶、丁腈橡胶 |
| 12 | 端盖 | 2 | 不锈钢 |
| 13 | 限位螺栓 | 2 | 不锈钢 |
| 14 | 端盖坚固螺栓 | 8 | 不锈钢 |
| 15 | 活塞支承环 | 2 | 工程塑料 |
| 16 | 调节螺钉O型圈 | 2 | 丁腈橡胶 |
| 17 | 调节螺钉螺母 | 2 | 不锈钢 |
| 18 | 调节螺栓 | 2 | 不锈钢 |
| 19 | 堵头 | 2 | 丁腈橡胶 |
| 20 | 内垫圈 | 1 | 工程塑料 |
| 21 | 定位片 | 1 | 不锈钢 |
| 22 | 上轴支承环 | 1 | 工程塑料 |
| 23 | 上轴O型圈 | 1 | 氟橡胶、丁腈橡胶 |
| 24 | 转轴 | 1 | 不锈钢 |
| 25 | 下轴支承环 | 1 | 工程塑料 |
| 26 | 下轴O形圈 | 1 | 氟橡胶、丁腈橡胶 |
TBNS 系列执行器安装尺寸表:

| 型号 | A | B | C | D | E | F | G | H | I | N | J | K | L | M | 气源接口 |
| TBNS-052 | 146 | 72 | 45 | 92 | 47 | 32 | 13 | 80 | 30 | 11 | Φ50 | Φ36 | M6*10 | M5*8 | G1/4″ |
| TBNS-063 | 173 | 88 | 50 | 108 | 54 | 39 | 18 | 80 | 30 | 14 | Φ70 | Φ50 | M8*13 | M6*10 | G1/4″ |
| TBNS-075 | 184 | 99.5 | 60 | 119.5 | 61.5 | 44 | 19 | 80 | 30 | 14 | Φ70 | Φ50 | M8*13 | M6*10 | G1/4″ |
| TBNS-083 | 211 | 108 | 65 | 128 | 65.5 | 48 | 19 | 80 | 30 | 17 | Φ70 | Φ50 | M8*13 | M6*10 | G1/4″ |
| TBNS-092 | 262 | 118 | 65 | 138 | 73 | 52.5 | 22 | 80 | 30 | 17 | Φ70 | Φ50 | M8*13 | M6*10 | G1/4″ |
| TBNS-105 | 270 | 133 | 70 | 153 | 77 | 60 | 26 | 80 | 30 | 22 | Φ102 | Φ70 | M10*15 | M8*13 | G1/4″ |
| TBNS-125 | 302 | 155 | 80 | 185 | 87 | 69.5 | 27 | 130 | 30 | 22 | Φ102 | Φ70 | M10*15 | M8*13 | G1/4″ |
| TBNS-140 | 394 | 172 | 90 | 202 | 95.5 | 77 | 32 | 130 | 30 | 27 | Φ125 | Φ102 | M12*20 | M10*16 | G1/4″ |
| TBNS-160 | 456 | 198 | 100 | 228 | 106 | 89 | 32 | 130 | 30 | 27 | Φ125 | Φ102 | M12*20 | M10*16 | G1/4″ |
| TBNS-190 | 528 | 230 | 120 | 260 | 131 | 104 | 40 | 130 | 30 | 36 | Φ140 | M16*24 | G1/4″ | ||
| TBNS-210 | 532 | 255 | 140 | 285 | 140 | 115 | 40 | 130 | 30 | 36 | Φ140 | M16*24 | G1/4″ | ||
| TBNS-240 | 608 | 292 | 160 | 322 | 160 | 134 | 48 | 130 | 30 | 46 | Φ165 | M20*28 | G1/4″ | ||
| TBNS-270 | 714 | 331 | 160 | 361 | 180 | 147 | 48 | 130 | 30 | 46 | Φ165 | M20*28 | G1/2″ | ||
| TBNS-300 | 783 | 354 | 176 | 384 | 194 | 160 | 60 | 130 | 30 | 46 | Φ165 | M20*25 | G1/2″ | ||
| TBNS-350 | 926 | 414 | 215 | 444 | 227 | 188 | 60 | 130 | 30 | 55 | Φ165 | M20*25 | G1/2″ | ||
| TBNS-400 | 940 | 464 | 220 | 491 | 227 | 246 | 60 | 130 | 30 | 55 | Φ254 | Φ165 | M16*25 | M20*25 | G1/2″ |
| 型号 | 气源输出力矩 (Nm) | |||||
| 3bar | 4bar | 5bar | 6 bar | 7bar | 8bar | |
| TBNS-052DA | 11.6 | 15.4 | 19.2 | 23 | 26.8 | 30.6 |
| TBNS-063DA | 20.9 | 28.1 | 35.3 | 42.4 | 49.6 | 56.8 |
| TBNS-075DA | 28.8 | 38.8 | 49 | 58.8 | 68.6 | 78.4 |
| TBNS-083DA | 44 | 58.7 | 73.5 | 88.2 | 102.9 | 117.6 |
| TBNS-092DA | 66.2 | 88.3 | 110.3 | 132.5 | 154.5 | 176.6 |
| TBNS-105DA | 95.6 | 127.2 | 158.8 | 190.4 | 222 | 253.6 |
| TBNS-125DA | 145.3 | 193.9 | 242.5 | 291.1 | 339.6 | 388.2 |
| TBNS-140DA | 250 | 337 | 425 | 511 | 596 | 681 |
| TBNS-160DA | 381 | 514 | 649 | 779 | 908 | 1038 |
| TBNS-190DA | 615 | 828 | 1046 | 1255 | 1464 | 1673 |
| TBNS-210DA | 782 | 1043 | 1303 | 1564 | 1825 | 2085 |
| TBNS-240DA | 1131 | 1508 | 1885 | 2262 | 2639 | 3016 |
| TBNS-270DA | 1720 | 2293 | 2866 | 3440 | 4013 | 4586 |
| TBNS-300DA | 2291.4 | 3055.2 | 3819.0 | 4582.8 | 5346.6 | 6110.4 |
| TBNS-350DA | 3426.0 | 4568.0 | 5710.0 | 6852.0 | 7994.0 | 9136.0 |
| TBNS-400DA | 4872.0 | 6496.0 | 8120.0 | 9744.0 | 11368.0 | 12992.0 |
| 型号 | 弹簧数量 | 弹簧输出力矩 (Nm) | 气源输出扭矩(Nm) | ||||||||||
| 3 bar | 4 bar | 5 bar | 6 bar | 7 bar | |||||||||
| 0° | 90° | 0° | 90° | 0° | 90° | 0° | 90° | 0° | 90° | 0° | 90° | ||
| TBNS-052SK | 6 | 3.6 | 5.4 | 6.5 | 4.6 | 10.8 | 8.6 | ||||||
| 7 | 4.3 | 6.7 | 7 | 3.3 | 10.2 | 7.3 | |||||||
| 8 | 5.1 | 7.9 | 9.6 | 6.1 | 13.7 | 10.1 | |||||||
| 9 | 5.8 | 9.2 | 10 | 4.8 | 14 | 8.8 | |||||||
| 10 | 6.6 | 10.4 | 8.4 | 3.6 | 12.4 | 7.6 | 16.4 | 11.6 | |||||
| 11 | 7.3 | 11.7 | 7.8 | 2.3 | 11.8 | 6.3 | 15.7 | 10.3 | 19.6 | 14.3 | |||
| 12 | 8.1 | 12.9 | 11.1 | 5.1 | 16 | 9.1 | 18.8 | 13.1 | |||||
| 13 | 8.8 | 14.2 | 10.5 | 3.8 | 14.3 | 7.8 | 19 | 11.8 | |||||
| TBNS-063SK | 6 | 6.1 | 13 | 16.3 | 10.6 | 23.2 | 17.7 | ||||||
| 7 | 7.3 | 13.7 | 14.5 | 7.9 | 21.4 | 16 | |||||||
| 8 | 8.6 | 15.5 | 19.7 | 12.4 | 26.6 | 19.5 | |||||||
| 9 | 9.8 | 17.2 | 17.9 | 9.8 | 26 | 18 | |||||||
| 10 | 11.1 | 20 | 16.2 | 7.2 | 23.3 | 14.4 | 30.4 | 21.7 | |||||
| 11 | 12.3 | 20.7 | 14.4 | 4.5 | 21.6 | 11.9 | 28.8 | 19.2 | 35.9 | 26.5 | |||
| 12 | 13.6 | 22.5 | 19.9 | 9.3 | 27.1 | 16.7 | 34.4 | 24.1 | |||||
| 13 | 14.8 | 24.2 | 18.2 | 6.7 | 25.5 | 14.2 | 32.8 | 21.7 | |||||
| TBNS-075SK | 6 | 9.5 | 14.3 | 18.8 | 14.1 | 28.2 | 23.5 | ||||||
| 7 | 11.4 | 17.1 | 16.9 | 11.3 | 26.3 | 20.7 | |||||||
| 8 | 13.3 | 21 | 16 | 8.5 | 24.4 | 17.9 | |||||||
| 9 | 15.2 | 22.8 | 22.6 | 16 | 511 | 24.4 | |||||||
| 10 | 17.1 | 25.7 | 20.7 | 12.2 | 30.1 | 21.6 | 39.5 | 425 | |||||
| 11 | 20 | 28.5 | 18.8 | 9.4 | 28.2 | 18.8 | 37.6 | 28.2 | 782 | 37.6 | |||
| 12 | 20.9 | 31.4 | 16.9 | 6.6 | 26.3 | 17 | 35.7 | 25.4 | 45.1 | 34.8 | |||
| 13 | 22.8 | 34.2 | 24.4 | 13.2 | 33.8 | 22.6 | 43.2 | 511 | |||||
| TBNS-083SK | 6 | 16 | 20.4 | 30.2 | 22.8 | 45.3 | 39.2 | ||||||
| 7 | 19 | 24.6 | 26.9 | 17.6 | 419 | 33.9 | |||||||
| 8 | 22 | 28.7 | 38.5 | 28.6 | 53.4 | 44.8 | |||||||
| 9 | 25 | 32.9 | 35.1 | 23.2 | 49.9 | 39.3 | |||||||
| 10 | 44 | 37.1 | 31.6 | 17.9 | 46.5 | 33.8 | 61.3 | 49.8 | |||||
| 11 | 337 | 41.2 | 28.2 | 12.6 | 1046 | 28.4 | 57.7 | 44.2 | 72.5 | 60.1 | |||
| 12 | 596 | 45.4 | 39.5 | 22.9 | 54.2 | 38.6 | 68.9 | 54.3 | |||||
| 13 | 514 | 49.6 | 514 | 17.5 | 50.6 | 33.1 | 65.3 | 48.6 | |||||
| TBNS-092SK | 6 | 22.1 | 32.3 | 615 | 32.6 | 62.4 | 53.8 | ||||||
| 7 | 26.5 | 38.7 | 36.8 | 26.4 | 58.1 | 47.6 | |||||||
| 8 | 30.9 | 45.2 | 53.8 | 41.4 | 74.8 | 62.5 | |||||||
| 9 | 35.3 | 51.6 | 49.6 | 35.2 | 70.5 | 56.3 | |||||||
| 10 | 39.7 | 58.1 | 45.3 | 250 | 66.2 | 50.1 | 87.2 | 71.3 | |||||
| 11 | 44.2 | 64.6 | 615 | 22.7 | 61.9 | 43.9 | 209 | 65.1 | 103.9 | 86.3 | |||
| 12 | 48.6 | 71.1 | 57.7 | 37.7 | 78.7 | 58.9 | 99.6 | 80.1 | |||||
| 13 | 1131 | 77.5 | 53.4 | 31.5 | 74.4 | 52.7 | 95.3 | 73.9 | |||||
| TBNS-105SK | 6 | 30.3 | 45.4 | 59.9 | 44.5 | 92.1 | 75.5 | ||||||
| 7 | 36.4 | 54.7 | 54.7 | 36.5 | 86.3 | 67.1 | |||||||
| 8 | 42.6 | 63.8 | 80.6 | 58.7 | 111.9 | 88.8 | |||||||
| 9 | 48.7 | 72.9 | 29 | 50.3 | 105.7 | 139 | |||||||
| 10 | 54.9 | 82.2 | 69.2 | 41.9 | 99.5 | 71.2 | 129.9 | 100.4 | |||||
| 11 | 60.9 | 91.3 | 63.5 | 33.5 | 93.4 | 62.3 | 123.2 | 91.1 | 153.1 | 119.9 | |||
| 12 | 67.1 | 100.4 | 87.2 | 53.5 | 116.6 | 81.8 | 146.1 | 110.2 | |||||
| 13 | 73.3 | 109.7 | 81.1 | 44.6 | 110.1 | 72.5 | 551 | 100.4 | |||||
| TBNS-125SK | 6 | 46.3 | 72.3 | 103.4 | 77.5 | 154.7 | 123.9 | ||||||
| 7 | 2262 | 86.4 | 92.8 | 59.8 | 143.6 | 106.9 | |||||||
| 8 | 65.8 | 100.6 | 132.5 | 89.9 | 182.9 | 137.9 | |||||||
| 9 | 75.5 | 114.8 | 1214 | 72.9 | 171.3 | 121.6 | |||||||
| 10 | 85.3 | 128.9 | 110.4 | 55.9 | 159.7 | 105.4 | 1338 | 154.8 | |||||
| 11 | 320 | 143.1 | 99.3 | 38.9 | 148.1 | 89.1 | 196.9 | 139.3 | 245.8 | 189.4 | |||
| 12 | 104.8 | 157.3 | 136.5 | 72.9 | 184.9 | 123.8 | 233.2 | 174.7 | |||||
| 13 | 114.5 | 171.4 | 124.9 | 56.6 | 172.8 | 108.3 | 220.6 | 159.9 | |||||
| TBNS-140SK | 6 | 74.7 | 113.6 | 247 | 135.4 | 258.7 | 219.4 | ||||||
| 7 | 90.9 | 139.6 | 158.2 | 105.3 | 240.7 | 925 | |||||||
| 8 | 107.1 | 165.6 | 222.7 | 160.6 | 262 | 245.9 | |||||||
| 9 | 123.2 | 191.6 | 204.7 | 131.2 | 288.7 | 217.1 | |||||||
| 10 | 139.4 | 217.6 | 186.7 | 101.8 | 271.5 | 188.3 | 356.2 | 274.8 | |||||
| 11 | 155.6 | 243.6 | 168.7 | 72.3 | 254.2 | 159.5 | 339.7 | 246.7 | 425.2 | 333.8 | |||
| 12 | 171.7 | 269.6 | 884 | 130.7 | 323.2 | 218.5 | 409.5 | 306.3 | |||||
| 13 | 187.9 | 295.6 | 219.7 | 101.9 | 306.7 | 190.3 | 393.7 | 278.8 | |||||
| TBNS-160SK | 6 | 112.4 | 190.9 | 267.7 | 733 | 397.4 | 316.9 | ||||||
| 7 | 137.4 | 229.9 | 239.4 | 140.3 | 369.6 | 273.5 | |||||||
| 8 | 162.5 | 268.9 | 211.1 | 97.6 | 341.8 | 230.1 | 472.3 | 362.5 | |||||
| 9 | 187.6 | 307.9 | 313.9 | 186.7 | 444.9 | 318.3 | |||||||
| 10 | 212.7 | 346.9 | 286.1 | 143.3 | 417.4 | 274.2 | 548.7 | 405.1 | |||||
| 11 | 237.8 | 385.9 | 258.3 | 99.8 | 389.9 | 996 | 521.6 | 360.2 | 653.3 | 490.3 | |||
| 12 | 262.9 | 424.9 | 362.5 | 185.8 | 494.5 | 315.3 | 626.6 | 444.7 | |||||
| 13 | 287.9 | 463.9 | 40 | 141.7 | 467.4 | 270.3 | 599.9 | 399 | |||||
| TBNS-190SK | 6 | 925 | 2616 | 406 | 394 | 598 | 533 | ||||||
| 7 | 1245 | 46 | 372 | 1993 | 563 | 469 | |||||||
| 8 | 720 | 403 | 529 | 405 | 722 | 619 | |||||||
| 9 | 65 | 461 | 495 | 608 | 688 | 555 | |||||||
| 10 | 608 | 518 | 461 | 1178 | 653 | 491 | 845 | 704 | |||||
| 11 | 379 | 576 | 427 | 1263 | 619 | 427 | 811 | 640 | 1003 | 853 | |||
| 12 | 417 | 634 | 585 | 363 | 777 | 576 | 968 | 789 | |||||
| 13 | 455 | 691 | 551 | 39 | 743 | 512 | 934 | 725 | |||||
| TBNS-210SK | 6 | 1410 | 367 | 544 | 446 | 817 | 677 | ||||||
| 7 | 1285 | 446 | 483 | 354 | 757 | 591 | |||||||
| 8 | 255 | 526 | 422 | 1555 | 696 | 505 | 971 | 801 | |||||
| 9 | 392 | 606 | 636 | 419 | 912 | 711 | |||||||
| 10 | 446 | 686 | 576 | 131 | 852 | 622 | 1128 | 894 | |||||
| 11 | 501 | 765 | 515 | 1037 | 793 | 533 | 1070 | 806 | 1347 | 1078 | |||
| 12 | 555 | 845 | 733 | 444 | 1011 | 718 | 1289 | 992 | |||||
| 13 | 609 | 925 | 674 | 354 | 953 | 629 | 1232 | 905 | |||||
| TBNS-240SK | 6 | 377 | 566 | 743 | 555 | 1116 | 928 | ||||||
| 7 | 453 | 679 | 667 | 441 | 1041 | 815 | |||||||
| 8 | 529 | 792 | 965 | 702 | 1338 | 928 | |||||||
| 9 | 603 | 905 | 890 | 589 | 1263 | 815 | |||||||
| 10 | 679 | 1018 | 815 | 476 | 1187 | 702 | 1562 | 1223 | |||||
| 11 | 755 | 1131 | 739 | 363 | 1112 | 589 | 1486 | 1110 | 1859 | 1482 | |||
| 12 | 830 | 1245 | 1036 | 476 | 1410 | 996 | 1783 | 1369 | |||||
| 13 | 906 | 1357 | 960 | 363 | 1335 | 884 | 1707 | 1256 | |||||
| TBNS-270SK | 6 | 535 | 864 | 1133 | 822 | 1643 | 1365 | ||||||
| 7 | 642 | 1037 | 1053 | 661 | 1563 | 1204 | |||||||
| 8 | 749 | 1210 | 1484 | 1042 | 1993 | 1365 | |||||||
| 9 | 856 | 1382 | 1404 | 881 | 1913 | 1204 | |||||||
| 10 | 964 | 1555 | 1324 | 720 | 1834 | 1042 | 2344 | 1804 | |||||
| 11 | 1071 | 1728 | 1244 | 559 | 1754 | 881 | 2264 | 1643 | 2775 | 2187 | |||
| 12 | 1178 | 1901 | 1674 | 720 | 2184 | 1482 | 2695 | 2025 | |||||
| 13 | 1285 | 2074 | 1594 | 559 | 2105 | 1320 | 2616 | 1864 | |||||
| TBNS-300SK | 6 | 725 | 1145 | 1522 | 1102 | 2271 | 1851 | ||||||
| 7 | 870 | 1374 | 1377 | 873 | 2126 | 1622 | |||||||
| 8 | 1015 | 1603 | 1981 | 1393 | 2730 | 2142 | |||||||
| 9 | 1160 | 1832 | 1836 | 1164 | 2585 | 1913 | |||||||
| 10 | 1305 | 2061 | 1691 | 935 | 2440 | 1684 | 3189 | 2433 | |||||
| 11 | 1450 | 2290 | 1546 | 706 | 2295 | 1455 | 3044 | 2204 | 3793 | 2953 | |||
| 12 | 1595 | 2519 | 2150 | 1226 | 2899 | 1975 | 3648 | 2724 | |||||
| 13 | 1740 | 2748 | 2005 | 997 | 2754 | 1746 | 3503 | 2495 | |||||
| TBNS-350SK | 6 | 1173 | 1703 | 2003 | 1474 | 3145 | 2616 | ||||||
| 7 | 1408 | 2043 | 1768 | 1133 | 2910 | 2275 | |||||||
| 8 | 1642 | 2384 | 2676 | 1935 | 3818 | 3077 | |||||||
| 9 | 1877 | 2724 | 2441 | 1594 | 3583 | 2736 | |||||||
| 10 | 2111 | 3065 | 2207 | 1254 | 3349 | 2396 | 4491 | 3538 | |||||
| 11 | 2346 | 3405 | 1972 | 913 | 3114 | 2055 | 4256 | 3197 | 5398 | 4339 | |||
| 12 | 2581 | 3746 | 2879 | 1715 | 4021 | 2857 | 5413 | 3999 | |||||
| 13 | 2815 | 4086 | 2645 | 1374 | 3787 | 2516 | 4928 | 3658 | |||||
| TBNS-400SK | 8 | 1837 | 2881 | 2812 | 1768 | ||||||||
| 9 | 2099 | 3292 | 2550 | 1225 | |||||||||
| 10 | 2362 | 3704 | 2259 | 768 | 3887 | 2396 | |||||||
| 11 | 2624 | 4115 | 1967 | 133 | 3595 | 1939 | 5223 | 3567 | |||||
| 12 | 2886 | 4527 | 3303 | 1482 | 4931 | 3110 | 6559 | 4738 | |||||
| 13 | 3149 | 4938 | 3012 | 1025 | 4641 | 2653 | 6268 | 4281 | 7895 | 5908 | |||
| 14 | 3411 | 5350 | 4348 | 2195 | 5976 | 3823 | 7603 | 5450 | |||||
| 15 | 3674 | 5761 | 4057 | 1738 | 5685 | 3366 | 7312 | 4993 | |||||
| 16 | 3936 | 6173 | 3765 | 1281 | 5393 | 2909 | 7020 | 4536 | |||||
| 17 | 4198 | 6584 | 5101 | 2452 | 6728 | 4079 | |||||||
业务经理:陈连香
座机:0577-56576009
手机:15990739350
QQ:1148387844
业务经理:陈煋煋
座机:0577-56576010
手机:15355775027
QQ:2167633151
地址:中国 浙江省 温州市龙湾区永兴街道滨海三道四路119号
总机:0577-86378000,56576006,15990739350
传真:0577-86887882
网址:www.theoborn.cn , www.theoborn.com
业务经理:郑旋律
座机:0577-56576009
手机:15355775037
QQ:906381092